Abstract
Zero- and 1D (one-dimensional) tin (IV) oxide nanostructures have been synthesized by thermal evaporation method, and a comparison of their morphology, crystal structure, sorption properties, specific surface area, as well as electrical characteristics has been performed. Synthesized SnO2 nanomaterials were studied by X-ray diffraction, scanning and transmission electron microscopy (SEM and TEM), N2 sorption/desorption technique, IR spectroscopy and, in addition, their current-voltage characteristics have also been measured. The single crystalline structures were obtained both in case of 0D (zero-dimensional) SnO2 powders and in case of 0D nanofibers, as confirmed by electron diffraction of TEM. It was found that SnO2 synthesis parameters significantly affect materials’ properties by contributing to the difference in morphology, texture formation, changes in IR spectra of 1D structure as compared to 0D powders, increases in the specific surface area of nanofibers, and the alteration of current-voltage characteristics 0D and 1D SnO2 nanostructures. It was established that gas sensors utilizing of 1D nanofibers significantly outperform those based on 0D powders by providing higher specific surface area and ohmic I–V characteristics.
Keywords: Tin (IV) oxide, Thermal evaporation method, 0D nanostructures, 1D nanostructures, I–V curves
Background
Tin (IV) oxide (SnO2) is a typical n-type semiconductor with a wide direct band gap of 3.6 eV [1]. SnO2 exhibits a number of interesting functional properties such as optical transparency in the visible spectrum [2], chemical stability at high temperatures [3], good surface adsorption properties of oxygen and availability of numerous oxygen species and active acid sites on its surface [4], high specific theoretical capacity [5], and excellent electrical characteristics [3, 6]. As a result, SnO2 is broadly used as a part of catalysts for oxidation of organic compounds [4, 7], as an anode material in lithium-ion batteries [5], as transparent electrodes in solar cells [8], as a host material and a buffer layer in many optoelectronic devices [9], or as a sensitive layer in gas sensors to detect harmful for human health and hazardous gases such as CO, NOx, H2S, H2, and CH4. [10–13]. Today, the development of superior gas sensors is extremely important because they not only allow safely controlling the environment at home and industrial settings [12] but also provide an easy diagnostic tool for detection of early stages of otherwise hard or impossible to detect diseases at air exhalation among other applications [14].
It was established [15] that nanostructured SnO2 provides far better gas sensing properties as compared to SnO2 micron size materials. Thermal evaporation [16], hydrothermal synthesis [17], sol-gel method [18, 19], template synthesis [20], and laser ablation [21] are the most explored methods for synthesis of SnO2 nanostructures. Thermal evaporation method is the most promising technique as it allows to produce single crystalline 0D (zero-dimensional) or 1D (one-dimensional) SnO2 nanoparticles with high specific surface area and excellent gas sensing properties [16, 22].
There are many papers recently published that study either 0D or 1D nanostructured SnO2 [15, 16, 23, 24]. However, the direct comparison of performance of these structurally very different materials is lacking. Therefore, the goal of this paper is to fill the gap by providing a comparison of structural and functional behavior of 0D and 1D SnO2 nanostructures.
Methods
Materials Synthesis
Tin (II) oxalate (SnC2O4), prepared by sol-gel method from tin (II) chloride (SnCl2) and ammonium oxalate ((NH4)2C2O4) as in [10], was used as a precursor for the SnO2 synthesis. For the synthesis of 0D and 1D SnO2 nanostructured materials, 2 g of SnC2O4 powder was loaded into 50 × 10 × 10 mm alumina boat each, which were placed inside of a quartz tube in two different horizontal-type furnaces. Two furnaces had identical settings with the only exception that one furnace provided faster heating rate of 80 K/min, and a second furnace provided only 20 K/min heating rate. The N2 gas with 0.005% O2 impurity content was used as an inert atmosphere that was supplied to the quartz tube before heating began [10, 22]. Both furnaces were heated to 1123 K and kept at this temperature for dwell time of 1 h. After finishing of synthesis procedure, furnaces were turned off and cooled naturally. As a result of the thermal evaporation, the nanocrystalline SnO2 was obtained due to following reactions [22]:
The SnO2 sample with the fast heating rate was marked as TO1, and the SnO2 sample with slow heating rate was named TO2.
Characterization Techniques
In X-ray diffractometer Ultima IV (Rigaku, Japan) with CuКα radiation at 40 kV, 30 mA was used to collect diffraction patterns of the SnO2 samples. The powdered samples were scanned from 20 to 80 2θ at 1°/min with a scanning step of 0.0001°. XRD patterns were analyzed by the PDXL software package using database ICDD/PDF-2 and COD. The crystalline size and lattice parameters of the materials were calculated automatically by the software.
Both Transmission Electron Microscopy PEM 100–01 (Selmi, Ukraine) and Scanning Electron Microscopy REM 106I (Selmi, Ukraine) were used for characterization of particle’s size and morphology of the obtained SnO2 samples.
Specific surface area of the samples was studied by adsorption/desorption of nitrogen (Quantachrome® Autosorb, Quantachrome Instruments, USA) using Langmuir isotherm and Brunauer-Emmett-Teller (BET)-based software.
IR 4000–400 cm−1 wavenumber spectra of SnO2 were collected using FTIR spectrometer (Thermo Nicolet Nexus FTIR, Thermo Fisher Scientific, USA). For spectra collection, SnO2 samples were mixed with pre-dried KBr (for spectroscopy, “Aldrich,” USA) at 1:30 SnO2/KBr ratio.
Measurements of current-voltage characteristics of SnO2 nanostructures were carried by using gas sensors developed utilizing a special test structures. A 6 × 10 × 2 mm crystalline glass ceramic material (Sitall, Ukraine) [25] was used as a substrate upon which the interdigitated Ni electrodes were deposited by a thermal evaporation technique (Fig. 1). As a result of the deposition, Ni electrodes with 50 μm width 50 and 400 μm thickness were produced. After electrode deposition, the copper wires covered with silver and coated by Teflon were connected to the contact pads by soldering using common lead-bearing solder (60% tin; 40% lead). After that, the SnO2 material was deposited on the top of the Ni electrodes. The deposition of sensitive layer was performed by the sedimentation on the surface of electrodes. For this purpose, SnO2 1 g/cm3 suspension in ethanol was prepared and stirred in ultrasound bath for 90 s, after which the complete test structure with deposited interdigitated Ni electrodes, contact pads and parts of Cu wires was fully immersed into the suspension and left overnight to achieve a complete liquid evaporation. After the deposition of SnO2 layer on Ni-interdigitated electrodes of the test structure, the gas sensor was produced.
Fig. 1.

A schematic presentation of gas sensor’s test structure used for I–V measurements of SnO2
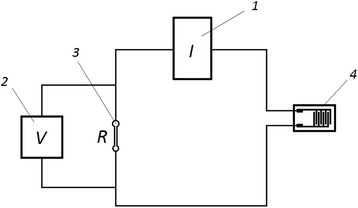
The block diagram of the electrical circuit with resistance connected in parallel used to measure the electrical properties of gas sensors are shown in Fig. 2. The electrical circuit consists of the power supply, voltmeter, model resistance, and actually gas sensor test structure. During current-voltage measurements, the gas sensor was placed inside of the tube furnace, and measurements were performed at three different temperatures (323, 372, and 423 K) in 5–30 V voltage range at ambient.
Fig. 2.

Block diagram for studying of I–V characteristics: 1—power supply; 2—voltmeter; 3—model resistance; 4—test structure of gas sensor
Results and Discussion
X-ray Diffraction
X-ray diffraction patterns for two SnO2 nanostructured materials are shown in Fig. 3, where the first diffraction pattern was collected using SnO2 synthesized at 80 K/min faster heating rate (Fig. 3a), while a second diffraction pattern was obtained from SnO2 synthesized at the same synthesis conditions, but using 20 K/min slower heating rate (Fig. 3b). As it was expected, in both cases, SnO2 nanostructures were crystallized in tetragonal P42/mnm space group with identical a = 4.74 Ǻ, c = 3,19 Ǻ lattice parameters, which correspond well with the lattice of tetragonal SnO2 reported in JCPDF No 41-1445 [26]. The average crystallite size calculated automatically by PDXL software from the FWHM of all peaks located between 20 and 120 2θ using Scherrer equation was equal to 80.7 and 74.3 nm for SnO2 with faster and slower heating rates, respectively. At the same time, the difference in heating rates during thermal evaporation synthesis affected not only crystallite size but also the X-ray peals intensity in SnO2 XRD patterns, especially in 1D nanostructured SnO2 causing texture formation resulting in the preferred orientation of the certain crystallographic directions. While isotropic material shows 100/75 ratio in (110) and (101) peaks of SnO2 [26], the SnO2 synthesized at faster heating rate of 80 K/min shows 100/95 ratio of two major hkl peaks; however, for SnO2 synthesized at slower heating rate of 20 K/min, the (110)/(101) peak intensity significantly reversed to 100/125, thus this nanostructure has a strong preferred orientation of growth in <110> crystallographic direction. Therefore, even based on the analysis of X-ray diffraction patterns of SnO2 synthesized at different heating rates, one can conclude that the preferred orientation of the material is different and this will certainly affect the morphology of the SnO2.
Fig. 3.

The XRD patterns of SnO2. a SnO2 synthesized at faster heating rate of 80 K/min (TO1). b SnO2 synthesized at slower heating rate of 20 K/min (TO2)
Electron Microscopy
TEM microphotographs of SnO2 samples processed at two different heating rates are shown in Fig. 4. As one can see from Fig. 4, the SnO2 sample synthesized at 80 K/min fast heating rate (Fig. 4a) has uneven round shape of the particles with an average diameter of 50–150 nm. This measured particle size coincides perfectly with the crystallite size of 80.7 nm calculated from FWHM of the XRD peaks for this material. The selected area electron diffraction (SAED) image of the particles (Fig. 4a, insert) indicated that those are single crystalline particles. At the same time, the SnO2 sample synthesized at 20 K/min slow heating rate (Fig. 4b) has long and extended shapes, essentially forming 1D structures. The SAED of 1D structures also shows the crystalline nature of the material (Fig. 4b, insert), and the quality of the SAED pattern is better for 1D SnO2 fibers in comparison with SnO2 particles partially because of better crystallinity of the material and partially because only two fibers were used for SAED pattern collection, unlike for the case when many particles contributed to SAED pattern for the SnO2 powder.
Fig. 4.

TEM images of SnO2 samples. a SnO2 synthesized at faster heating rate of 80 K/min (TO1). b SnO2 synthesized at slower heating rate of 20 K/min (TO2)
The Specific Surface Area
Table 1 contains results of the structural characteristics of SnO2 synthesized at faster heating rate of 80 K/min (TO1) and SnO2 synthesized at slower heating rate of 20 K/min (TO2). Pursuant to these data, the 1D SnO2 has specific surface area five times higher than 0D SnO2. Thus, the ratio of surface to volume really increases in the 1D nanostructures as compared with 0D particles.
Table 1.
Structural characteristics of sample SnO2
| Characteristics | TO1 | TO2 |
|---|---|---|
| S (m2/g) | 10.6 | 54.8 |
| The total pore volume (cm3/g) | 0.076 | 0.065 |
| The average conditional pore radius (nm) | 144 | 24 |
Also, based on the data in Table 1 and isotherms of nitrogen sorption/desorption (Fig. 5), both SnO2 samples are non-porous; they are consistent with the results of electron diffraction and microscopy. The revealed negligible porosity was caused by gaps between the primary particles (Table 1). In addition, the formed porous system from particles of 1D nanostructures is characterized by smaller dimensions than the porous system from 0D particles. This is evidenced by the hysteresis loop in isotherm of 1D nanostructures and the value of the average conditional pore radius for both samples.
Fig. 5.

The sorption isotherm of SnO2 samples. a SnO2 synthesized at faster heating rate of 80 K/min (TO1). b SnO2 synthesized at slower heating rate of 20 K/min (TO2)
IR Spectroscopy
The infrared spectra of two SnO2 nanostructured samples are shown in Fig. 6. It is known from the analysis of literature (Table 2) that the vibrational bands of the SnO2 are divided into different regions where both vibrations of SnO2 atomic structure and vibration of absorbed species such as O2, CO2, and even H2O could be detected. The stretching and antisymmetric Sn–O, Sn–O–Sn, and O–Sn–O vibrations of SnO2 can be found in the range of 400–1050 cm−1, while absorbed O2 and CO2 molecule vibrations are located between 1050 and 3000 cm−1 region and physically absorbed water vibrational bands could be found at 3390–3413 cm−1 (Table 2). IR spectra presented in Fig. 6 correspond well with the results published in the literature, especially since the 563 cm−1 band present in the 1D SnO2 nanostructure in the current study was also reported to exist in 1D structures by others [23]. The presence of this extra absorption band in the 560–570-cm−1 region is known as a characteristic feature of 1D SnO2 structures, but the nature of their presence still requires clarifications.
Fig. 6.

IR spectra of tin (IV) oxide samples. a SnO2 synthesized at faster heating rate of 80 K/min (TO1). b SnO2 synthesized at slower heating rate of 20 K/min (TO2)
Table 2.
Absorption spectra of synthesized SnO2 samples
| Wavenumber (cm−1) | Vibrational band | Reference data (cm−1) | |
|---|---|---|---|
| TO1 | TO2 | ||
| 435 | 434 | Sn–O (O–Sn–O) |
428 [23] |
| – | 563 | Sn–O (Sn–OH) |
537 [28], 546 [29], 567 [23] |
| – | 607 | Sn–O (Sn–O–Sn) |
613 [30], 623 [31] |
| 664 | 684 | Sn–O | 673 [23] |
| 810 | 809 | O–Sn–O | 817 [32] |
| 875 | 875 | O–Sn–OH | 866 [33] |
| 1022 | 1020 | Sn–O (O–Sn–O) |
1021 [34] |
| 1065 | 1068 | O2 − (chemical adsorption) | 1045 [34] |
| 1387 | 1387 | CO2 (physical adsorption) | 1386 [35] |
| 1561 | 1565 | O2 (physical adsorption) | 1580 [34] |
| – | – | H2O (bounded) (Sn–OH) |
1631 [31], 1633 [31] |
| 2857 | 2848 | CO2 (chemical adsorption) | 2840, 2925 [34] |
| 2926 | 2927 | ||
| – | – | H2O (adsorbed) (Sn–OH) |
3394 [28, 31], 3413 [28] |
I–U Measurements
To study the influence of morphology on electrical properties, I–V curves for 0D and 1D SnO2 nanostructures were measured. Figure 7 shows I–V curves at 323, 373, and 423 K in range of 5–30 V.
Fig. 7.

I–V curves of SnO2 samples. a SnO2 synthesized at faster heating rate of 80 K/min (TO1). b SnO2 synthesized at slower heating rate of 20 K/min (TO2)
As seen on Fig. 7, the current-voltage curves of these samples are different. For 0D SnO2 sample, I–V curves are non-ohmic at all temperatures while 1D tin (IV) oxide sample is characterized by linear (ohmic) current-voltage dependences. The various nature of curves for 0D and 1D nanostructures related to the different surface to volume ratios. Change in this ratio leads to a change in the I–V behavior of the material. It is known that both surface and bulk conductivities of the SnO2 contribute to the overall conductivity.
In addition, it is known that the ohmic behavior of current-voltage characteristics is very important for the sensing properties of the material, as the sensing properties of SnO2 are significantly improved if the material is showing ohmic type semiconducting behavior [27]. Therefore, 1D nanostructures are more desirable for use in gas sensors.
Conclusions
The single crystalline particles of SnO2 of different morphology (zero-dimensional (0D) and one-dimensional (1D) nanostructures) were obtained by thermal evaporation method. Such significant difference in the morphology of the SnO2 nanostructures were achieved due to their different synthesis conditions, as it was found that slower heating rate during the thermal evaporation brings changes to the SnO2 morphology allowing to receive 1D nanofibers. The comparison of different properties of 0D and 1D SnO2 nanostructures is presented. It was determined that the morphology has significant impact on the structural and functional properties of SnO2 as it is reflected in changes in crystal structure where texture formation was recorded, variation of IR spectra, as well as different I–V characteristics of gas sensors based on 0D and 1D SnO2 structures. It was also established that considerable changes in behavior of SnO2 depends also on surface to volume ratios of nanostructures.
Based on the experimental data, 1D nanostructures are more desirable for use in gas sensors. Further comparative research of 0D and 1D nanostructures will be carried out regarding sensory properties.
Acknowledgements
The authors thank Astrelin Igor for his support in conducting this research.
Authors’ contributions
TD carried out the coordination of the experimental research, analysis and interpretation of data, and drafted the manuscript. SN carried out the experimental studies, analysis and interpretation of data, and drafted the manuscript. VZ carried out the experimental studies. YY had given final approval of the version of the manuscript to be published. All authors read and approved the final manuscript.
Competing interests
The authors declare that they have no competing interests.
Publisher’s Note
Springer Nature remains neutral with regard to jurisdictional claims in published maps and institutional affiliations.
Contributor Information
Tetiana A. Dontsova, Email: dontsova@ua.fm, Email: dontsova@xtf.kpi.ua
Svitlana V. Nagirnyak, Email: nagirnyak_sv@ukr.net
Vladyslav V. Zhorov, Email: lorov1994@gmail.com
Yuriy V. Yasiievych, Email: n.or.t@mail.ru
References
- 1.Munnix S, Schmeits M. Surface electronic structure of tin (IV) oxide. Solid State Commun. 1982;43:867. doi: 10.1016/0038-1098(82)90857-2. [DOI] [Google Scholar]
- 2.Sanon G, Rup R, Mansingh A. Band-gap narrowing and band structure in degenerate tin oxide (SnO2) films. Phys Rev B Condens Matter. 1991;44(11):5672–5680. doi: 10.1103/PhysRevB.44.5672. [DOI] [PubMed] [Google Scholar]
- 3.Tan L, Wang L, Wang Y. Hydrothermal synthesis of SnO2 nanostructures with different morphologies and their optical properties. J Nanomater. 2011;2011:1–10. doi: 10.1155/2011/529874. [DOI] [Google Scholar]
- 4.Xu X, Zhang R, Zeng X, Han X, Li Y, Liu Y, Wang X. Effects of La, Ce, and Y oxides on SnO2 catalysts for CO and CH4 oxidation. ChemCatChem. 2013;5:2025–2036. doi: 10.1002/cctc.201200760. [DOI] [Google Scholar]
- 5.Lee S-Y, Park K-Y, Kim W-S, Yoon S, Hong S-H, Kang K, Kim M. Unveiling origin of additional capacity of SnO2 anode in lithium-ion batteries by realistic ex situ TEM analysis. Nano Energy. 2016;19:234–245. doi: 10.1016/j.nanoen.2015.10.026. [DOI] [Google Scholar]
- 6.Janotti A, Varley JB, Lyons JL, Van de Walle CG. Functional metal oxide nanostructures (springer series in materials science) 2011. Controlling the conductivity in oxide semiconductors; pp. 23–35. [Google Scholar]
- 7.Liberkova K, Touroude R. Performance of Pt/SnO2 catalyst in the gas phase hydrogenation of crotonaldehyde. J Mol Catal A Chem. 2002;180:221–230. doi: 10.1016/S1381-1169(01)00439-3. [DOI] [Google Scholar]
- 8.Ray S, Dutta J, Barua AK. Bilayer SnO2:In/SnO2 thin films as transparent electrodes of amorphous silicon solar cells. This Solid Films. 1991;199(2):201–207. doi: 10.1016/0040-6090(91)90001-E. [DOI] [Google Scholar]
- 9.Tran V-H, Ambade RB, Ambade SB, Lee S-H, Lee I-H. Low-temperature solution-processed SnO2 nanoparticles as a cathode buffer layer for inverted organic solar cells. ACS Appl Mater Interfaces. 2017;9(2):1645–1653. doi: 10.1021/acsami.6b10857. [DOI] [PubMed] [Google Scholar]
- 10.Nagirnyak SV, Lutz VA, Dontsova TA, Astrelin IM. Synthesis and characterization of Tin (IV) oxide obtained by chemical vapor deposition method. Nanoscale Res Lett. 2016;11(1):343. doi: 10.1186/s11671-016-1547-x. [DOI] [PMC free article] [PubMed] [Google Scholar]
- 11.Salehi A. A highly sensitive self heated SnO2 carbon monooxide sensor. Sensors Actuators B. 2003;96:88–93. doi: 10.1016/S0925-4005(03)00490-8. [DOI] [Google Scholar]
- 12.Starke TKH, Coles GSV, Ferkel H. High sensitivity NO2 sensors for environmental monitoring produced using laser ablated nanocrystalline metal oxides. Sensors Actuators B. 2002;85:239–245. doi: 10.1016/S0925-4005(02)00114-4. [DOI] [Google Scholar]
- 13.Ghimbeu CM, Lumbreras M, Schoonman J, Siadat M. Electrosprayed metal oxide semiconductor films for sensitive and selective detection of hydrogen sulfide. Sensors. 2009;9:9122–9132. doi: 10.3390/s91109122. [DOI] [PMC free article] [PubMed] [Google Scholar]
- 14.Pradhan UU, Bhat P. Breathe analysis for medical diagnostics—a review. Int J Innov Res Dev. 2015;4(12):240–246. [Google Scholar]
- 15.Miller TA, Bakrania SD, Perez C, Wooldridge MS. Nanostructured tin dioxide materials for gas sensor applications. Funct Mater. 2006;30:1–24. [Google Scholar]
- 16.Konga MH, Kwonb YJ, Kwakb DS, Khaib TV, et al. The synthesis of crystalline SnO2 whiskers via a metalorganic chemical vapor deposition process. J Ceram Proc Res. 2012;13(6):667–671. [Google Scholar]
- 17.Chiu HC, Yeh CS. Hydrothermal synthesis of SnO2 nanoparticles and their gas-sensing of alcohol. J Phys Chem. 2007;111:7256–7259. doi: 10.1021/jp079528h. [DOI] [Google Scholar]
- 18.Dontsova TA, Ivanenko IM, Astrelin IM, Nagirnyak SV. Stabilization of nanoscale tin (IV) oxide on the surface of carbon nanotubes. J Electr Eng. 2014;2(1):34–39. [Google Scholar]
- 19.Ivanenko IN, Dontsova TA, Astrelin IM, Trots VV. Low-temperature synthesis, structure-sorption characteristics and photocatalytic activity of TiO2 nanostructures. J Water Chem Technol. 2016;38(1):14–20. doi: 10.3103/S1063455X16010033. [DOI] [Google Scholar]
- 20.Farrukh MA, Heng BT, Adnan R. Surfactant-controlled aqueous synthesis of SnO2 nanoparticles via the hydrothermal and conventional heating methods. Turk J Chem. 2010;34:537–550. [Google Scholar]
- 21.Yang H, Song X, Zhang X, Ao W, Qui G. Synthesis and characyerization of SnO2 nanoparticles for carbon absorbing applications. Mater Lett. 2003;57:3124–3127. doi: 10.1016/S0167-577X(03)00008-9. [DOI] [Google Scholar]
- 22.Nagirnyak S, Lutz V, Dontsova T, Astrelin I. The effect of the synthesis conditions on morphology of tin (IV) oxide obtained by vapor transport method. Springer Proc Phys. 2016;183:331–341. doi: 10.1007/978-3-319-30737-4_28. [DOI] [Google Scholar]
- 23.Mondal SP. Temperature dependent growth and optical properties of SnO2 nanowires and nanobelts. Bull Mater Sci. 2010;33(4):357–364. doi: 10.1007/s12034-010-0054-4. [DOI] [Google Scholar]
- 24.Chinh N.D., Toan N.V., Quang V.V., Duy N.V., Hoa N.D., Hieu N.V. Comparative NO2 gas-sensing performance of the self-heated individual, multiple and networked SnO2 nanowire sensors fabricated by a simple process. Sensors Actuators B Chem. 2014:7–12.
- 25.Fedoseeva TI, Sobolev EV, Takher EA. Obtaining mechanically strong acid-resistant and wear resistant sitall grade BL from fused basal. Steklo Keram. 1972;1:29–31. [Google Scholar]
- 26.McCarthy GJ, Welton JM. X-Ray diffraction data for SnO2. An illustration of the new powder data evaluation methods. Powder Diffract. 1989;4(3):156–159. doi: 10.1017/S0885715600016638. [DOI] [Google Scholar]
- 27.Zhai T, Fang X, Liao M, Xu X, Zeng H, Yoshio B, Golberg D. (2009) A Comprehensive Review of One-Dimensional Metal-Oxide Nanostructure Photodetectors. Sensors 9(8):6504-6529 [DOI] [PMC free article] [PubMed]
- 28.Amarlic-Popescu D, Bozon-Verduraz F. Infrared studies on SnO2 and Pd/SnO2. Catal Today. 2001;70:139–154. doi: 10.1016/S0920-5861(01)00414-X. [DOI] [Google Scholar]
- 29.Avila HA, Rodrigues-Paez JE. Solvent effects in the synthesis process of tin oxide. J Non Cryst Solids. 2009;355:885–890. doi: 10.1016/j.jnoncrysol.2009.03.004. [DOI] [Google Scholar]
- 30.Mihaiu S, Atkinson I, Mocioiu O, Toader A, Tenea E, Zaharescu M. Phase formation mechanism in the ZnO-SnO2 binary system. Rev Roum Chim. 2011;56:465–472. [Google Scholar]
- 31.Babar AR, Shinde SS, Moholkar AV, Rajpure KY. Electrical and dielectric properties of co-precipitated nanocrystalline tin oxide. J Alloys Compd. 2010;505:743–749. doi: 10.1016/j.jallcom.2010.06.131. [DOI] [Google Scholar]
- 32.Gnanam S, Rajendran V. Anionic, cationic and nonionic surfactants-assisted hydrothermal synthesis of tin oxide nanoparticles and their photoluminescence property. Dig J Nanomater Biostruct. 2010;5(2):623–628. [Google Scholar]
- 33.Liu CM, Zu XT, Wei QM. Fabrication and characterization of wire-like SnO2. J Phys D Appl Phys. 2006;39:2494–2497. doi: 10.1088/0022-3727/39/12/004. [DOI] [Google Scholar]
- 34.Agekyan VT. SnO2 solid thin films. Phys Status Solidi. 1977;43(1):11–42. doi: 10.1002/pssa.2210430102. [DOI] [Google Scholar]
- 35.Wang Y, Ramos I. Preparation and electrochemical properties of SnO2 nanowires. J Appl Phys. 2007;102:1–7. doi: 10.1007/s00339-006-3859-7. [DOI] [Google Scholar]
