Abstract
In the world history of cancer research, three achievements in Japan were groundbreaking. First, in 1915, Katsusaburo Yamagiwa and Koichi Ichikawa induced skin cancer on the ears of rabbits by the repeated application of coal tar. This achievement was the world’s first generation of artificial cancers in experimental animals. Second, in 1932, Takaoki Sasaki and Tomizo Yoshida observed liver cancer in rats fed on rice inoculated with ortho(o)-aminoazotoluene. This achievement was the first ever artificial cancer in the internal organs of experimental animals. Third, in 1967, Takashi Sugimura gave N-methyl-N′-nitro-N-nitrosoguanidine, a known chemical mutagen, to mice in drinking water and induced stomach cancer. This achievement was the first artificial production of stomach cancer and provided experimental evidence that cancer is a disease originated from DNA abnormalies. In commemoration of the publication of the 100th volume of the Proceedings of Japan Academy, Series B, from articles previously published in the Proceedings, two papers related to the achievements of Takaoki Sasaki have been selected and republished with this article.
Keywords: chemical carcinogenesis, experimental animals, artificial cancer, liver cancer, ortho(o)-aminoazotoluene
Introduction
In commemoration of the publication of the 100th volume of the Proceedings of Japan Academy, Series B, memorable papers published in the Proceedings are republished to turn the spotlight on them once again.
With this article, two publications related to the achievements of Takaoki Sasaki are reprinted and his work is reviewed. The reason for focusing on Sasaki’s achievements is that he produced artificial cancers in the internal organs of experimental animals for the first time based on his creative spark together with dedicated efforts by his research assistant Tomizo Yoshida.
Significance of the achievements of Takaoki Sasaki in cancer research
Researchers around the world had been trying to produce artificial cancers in experimental animals in specific conditions and eagerly desired to understand the natural role of carcinogenesis.
In the global history of studies on chemical carcinogenesis, the first breakthrough was the successful generation of artificial cancers in 1915. Katsusaburo Yamagiwa, a professor at the Medical School, Tokyo Imperial University, and Koichi Ichikawa, a research assistant of Yamagiwa, had kept rubbing the skin of the ears of rabbits with coal tar every two or three days and observed carcinomatous changes from papillomatous growths between 55 and 360 days of treatment, most often after 150 days from the start of application. As a result of their perseverance for over 3 years, in 1915 they reported the generation of skin cancer that was the world’s first artificial cancer produced by chemical substances.1)-3)
Their epoch-making achievement was honored with the 9th Imperial Academy Prize in their joint names under the title of “Investigations on the Artificial Production of Cancer”.
During the 10 years after the discovery by Yamagiwa and Ichikawa, cancer researchers around the world focused on coal tar-induced cancer. The Institute of Cancer Research, London, actively worked to identify the carcinogens in coal tar through the collaboration of many chemists and pathologists. They treated various materials from complex compounds in animal tissues to simple chemicals, such as acetylene, isoprene, and tetralin, with high temperature and applied the tarred substances onto the skin of mice by rubbing. In 1932, they identified 1,2:5,6-dibenzanthracene (Fig. 1) as the carcinogen for skin cancer in coal tar.4) The discovery marked the world’s first production of artificial cancer by a known chemical substance and led to the end of tar carcinogenesis research.
Fig. 1.
Historical chemical carcinogens.
Scientists at the Institute of Cancer Research extended their research to tarred materials obtained from physiologically present substances, such as derivatives of deoxycholic acid, anthracene, bile acids, and sex hormones testosterone and estrogen, and confirmed the existence of carcinogenic substances in the tarred materials. From these results, they tried to explain that some chemical materials in cells might be changed to carcinogens by cellular mechanisms. On the other hand, in the same period, Takaoki Sasaki thought that carcinogenic materials might not be internal factors but external ones, and he asked his research assistant, Tomizo Yoshida, to perform animal experiments. Yoshida gave a known chemical material, o-aminoazotoluene (o-amidoazotoluol in Germany) (Fig. 1), mixed in feed to rats and in 1932 observed the production of carcinomas in the liver.5),6) The achievement of Sasaki and Yoshida was the world’s first artificial generation of carcinomas in the internal organs of laboratory animals. Their findings were published briefly by Yoshida in the Proceedings of the Imperial Academy of 1932 (reposted article 1)5) and in detail in Virchows Archiv by Sasaki and Yoshida in their joint names.6) The article described by Takaoki Sasaki himself on the generation of liver cancer by an analogous azo-compound was published in the Proceedings of 1939 (reposted article 2).7)
In 1936, they received the 26th Imperial Prize in their joint names under the title of “Experimentelle Erzeugung des Lebercarcinoms durch Fütterung mit o-Amidoazotoluol”. For Takaoki Sasaki, the prize was the second time, because he received the first prize in 1924, for “Studies on Bacterial Degradation of Protein and Constituent Amino Acids, and Synthesis of Amino Acids”. Subsequently in 1943, Tomizo Yoshida discovered a cancer cell line in ascites of rats fed on o-amidoazotoluene.8),9) The cell line was named Yoshida sarcoma at the annual meeting of the Japan Cancer Association in 1948. He received the 43rd Imperial Prize in 1953 under the title of “The Pathological Studies on Yoshida Sarcoma”, which was his second Imperial Prize.
World-leading studies on chemical carcinogenesis in Japan were taken over by Takashi Sugimura at the National Cancer Center Research Institute, Tokyo. He gave a known mutagen, N-methyl-N′-nitro-N-nitrosoguanidine (Fig. 1), in drinking water to mice and succeeded in the generation of stomach cancer for the first time in the world.10),11) His results provided experimental evidence for the general idea that cancer is a disease originated from DNA abnomalities. In 1976, his achievement was honored by the 66th Imperial Prize and the Japan Academy Prize under the title of “Stomach Carcinogenesis in Experimental Animals”.
Mentor and mentee
Epoch-making discoveries were often the result of the creative inspiration of a mentor and the dedicated efforts of a mentee, as in the cases described above for Katsusaburo Yamagiwa and Koichi Ichikawa and Takaoki Sasaki and Tomizo Yoshida.
Takaoki Sasaki (1878-1966) was born in Tokyo. He was the son-in-law of Masakichi Sasaki who was the first Professor of DAIGAKU TOKO, the origin of the Medical College, Tokyo Imperial University, and in 1891 he went to Germany with his Assistant Professor Katsusaburo Yamagiwa to study tuberculosis treatment developed by Robert Koch. Because of this background, Takaoki Sasaki graduated at the Medical College, Tokyo Imperial University in 1892. After the graduation, he devoted himself to research on medical chemistry and biochemistry in his private research institute under the supervision of Masakichi Sasaki. In 1895, he went to Germany for 5 years to study biochemistry, bacteriology, and serum therapy. He learned organic chemistry under Professor Hermann Emil Fischer and internal medicine under Professor Wilhelm His at the University of Berlin. On returning to Japan, he was appointed as Professor of Internal Medicine at Kyoto Imperial University in 1913 and then became Director of the Kyoundo Hospital in Tokyo in 1916. In addition, he became Director at the Cancer Institute, Japanese Foundation for Cancer Research in 1935. In 1939 Sasaki donated his private research institute, together with some of his private property and established the Sasaki Foundation. As described above, Takaoki Sasaki received the Imperial Prize twice in 1924 and 1936. Furthermore, he was presented with the Order of Culture in 1940 and the Person of Cultural Merit in 1951.
Tomizo Yoshida (1903-1973) graduated from the Medical School, Tokyo Imperial University in 1927 and was then an Assistant Professor of Pathology at the same institution. In 1929 he moved to the Sasaki Institute to work on chemically induced carcinogenesis with his mentor, Takaoki Sasaki. In 1935, he went to Germany to study pathology. After returning to Japan, Yoshida served as a Professor of Pathology at Nagasaki University from 1938 to 1944, and Tohoku University from 1944 to 1952. In 1952, he was appointed as a Professor of Pathology at the Faculty of Medicine, the University of Tokyo. In addition, he became a Director at the Sasaki Institute in 1953 and at the Cancer Institute, Japanese Foundation for Cancer Research in 1963. Tomizo Yoshida received the Imperial Prize twice in 1936 and 1953, as described above, and the Order of Culture in 1959.
The world’s first artificial carcinomas in internal organs of laboratory animals
In 1932, researchers at the Institute of Cancer Research, London, found 1,2:5,6-dibenzanthracene (Fig. 1) as a carcinogenic chemical substance in coal tar4) and Takaoki Sasaki and Tomizo Yoshida reported the production of liver cancer in rats treated with o-aminoazotoluene (Fig. 1).5),6) Researchers in London thought that carcinogenic chemicals were internal factors. On the other hand, Takaoki Sasaki thought that they were external factors.
From this point of view, Sasaki took particular note of the medical use Scharlachrot by the Biebrich company, and which was known as an epithelial cell growth promoter. The main component of the drug, o-aminoazotoluene, was used as a medicine for the treatment of cutaneous trauma laceration and known as a “double-edged” substance with both cell growth promoter and cytotoxic activities.
Takaoki Sasaki thought that depending on its concentration, o-aminoazotoluene may be toxic for sensitive cells, on the other hand, it may be stimulatory for non-sensitive cells. To clarify the influence of o-aminoazotoluene on epithelial cells of the tissues of experimental animals, he asked Tomizo Yoshida to perform experiments by giving o-aminoazotoluene to several kinds of animals.
At hand, Sasaki and Yoshida had two 500 g bottles of o-aminoazotoluene which is a water-insoluble brown powder. At first, Yoshida gave o-aminoazotoluene to guinea pigs in olive oil solution by intradermal injection and observed strong proliferation and degeneration of cells in the thyroid gland. After more than 3 months, Yoshida found squamous metaplasia of follicular epithelium cells in the thyroid and reported the observation in his thesis.12)
When o-aminoazotoluene was given to mice, after 1 to 2 weeks of strong proliferation subsequent degeneration of cells was observed in the bile duct epithelium.
In rats, the proliferation of cells in the bile duct epithelium was not extensive, but the proliferation of liver cells, which was not observed in mice, was apparent. The proliferation was notably influenced by the amounts of o-aminoazotoluene. From these results, Sasaki and Yoshida decided that rats were an appropriate animal for the o-aminoazotoluene experiments.
The first experiment performed by Yoshida was the subcutaneous injection of an olive oil solution containing o-aminoazotoluene into rats and the development of skin cancer at distant parts from the injection site together with the occurrence of liver cancer.
The second experiment involved long-term oral administration of o-aminoazotoluene to rats, and the proliferation of liver cancer, especially hepatocellular carcinoma, was observed. The development of tumors in the liver of rats must be due to the presence of o-aminoazotoluene, because it was never observed without the agent.
Based on these results, Yoshida’s experiments then focused on observation of the proliferation of liver cells in rats continuously administered o-aminoazotoluene orally at as low a concentration as possible.
The third experiment involved 400 rats to track carcinogenic alterations in liver cells over time leading to the production of cancer. The outline of the experiment is indicated in Fig. 2. The rats were fed on brown rice (98 g brown rice mixed with 2 g of 5% o-aminoazotoluene olive oil solution; final concentration of 1 mg o-aminoazotoluene/1 g rice). The intake of o-aminoazotoluene was calculated by reweighing the uneaten amount of feed.
Fig. 2.

The generation of liver cancer in rats by oral administration of o-aminoazotoluene. The experiment was performed using 400 rats. Among them, 40 were control animals fed on rice without o-aminoazotoluene and 60 were used for determination of the amount of the reagent to be fed. The remaining 300 rats were divided into 3 experiments. Experiment 1: 63 rats were fed on rice containing o-aminoazotoluene and 3 rats each in a total of 21 groups were sacrificed every 15 days and anatomical tissue specimens were prepared. Experiment 2: 51 rats in 17 groups each containing 3 rats were fed on rice with o-aminoazotoluene, but every 15 days from 60 days after the start of the experiment a group of 3 rats were changed to be fed on rice without o-aminoazotoluene and continued to fed for the total number of days indicated. At the timepoint indicated, each rat was sacrificed and anatomically analyzed. Experiment 3: the remaining 186 rats were fed on rice containing o-aminoazotoluene from the start of the experiment. Open circle: tumor-negative rat. Closed circle: tumor-positive rat. (Modified from Table 1 of Ref. 13.)
Among 400 rats, 40 were control animals fed on rice without o-aminoazotoluene and 60 were used for determination of the amount of the reagent to be fed. The remaining 300 rats were divided into 3 experiments as shown in Fig. 2. Experiment 1 with 63 rats was performed by feeding rice containing o-aminoazotoluene every 15 days after the start of the experiment, 3 rats each in a total of 21 groups were sacrificed and anatomical tissue specimens were prepared at the indicated time points. Experiment 2 was carried out with a total 51 rats in 17 groups each containing 3 rats. All rats in this experiment were fed on rice with o-aminoazotoluene, but from 60 days after the start of the experiment, at every 15 days a group of 3 rats was changed to be fed on rice without o-aminoazotoluene. At the timepoints in the experiment indicated in Fig. 2, each rat was sacrificed and anatomically analyzed. The growth of hepatoma in the duct cholendochus was observed as shown in Fig. 3. The rat fed on rice with o-aminoazotoluene for 225 days and then without the agent for 76 days (total experimental period of 301 days, indicated as the middle line in Fig. 2).
Fig. 3.
Growth of hepatoma in the duct cholendochus. Feeding on rice with o-aminoazotoluene for 225 days and then without the agent for 76 days. Left below: Stomach with the beginning part of the duodenum. (From Abbildung 12 of Ref. 6.)
Experiment 3 examined the remaining 186 rats and the rats were maintained by being fed on rice containing o-aminoazotoluene from the start of the experiment. In this experiment, a total 159 rats sacrificed and analyzed from day 3 to day 187 from the start of the experiment were tumor negative. On the other hand, among the remaining 27 rats sacrificed from day 201 to day 346, 25 rats shown in Fig. 2 were tumor positive.
The results of the experiments were summarized as follows.
-
1)
In Experiment 1, as shown in the top line in Fig. 2, among 63 rats (open and closed circles in the figure) with continuous administration of o-aminoazotoluene, the first liver cancer was observed at day 195 and until at day 240 tumors were observed in 3 rats. After day 255 of administration of o-aminoazotoluene, all of 12 rats had liver cancer. Thus, in Experiment 1 liver cancer was observed in 15 rats in total.
-
2)
In Experiment 2 with stepwise discontinuation of administration of o-aminoazotoluene, liver cancer was observed in a rat dissected at day 354, which was changed to be fed on rice without the agent at 92 days from the start of administration. When administration of the agent was continued for more than 135 days, 29 out of 36 rats had liver cancer even after discontinuation of the agent. In the case of discontinuation after continuous administration of o-aminoazotoluene for more than 225 days, all rats had liver cancer (circles in the middle line in Fig. 2).
-
3)
In Experiment 3, among 27 rats continuously fed on rice with o-aminoazotoluene for more than 201 days, 25 rats had liver cancer (closed circles in the bottom line in Fig. 2). In 16 rats that received the agent for more than 250 days, liver cancer was observed in all animals. These results were in agreement with those of Experiment 1.
From the results of these experiments, the period when liver cells began uncontrolled cell proliferation (Fig. 4) and acquired adenoma-like features (Fig. 5) commenced around day 135 after the start of the administration of o-aminoazotoluene. The adenoma-like cell population gradually formed rosette shapes (Fig. 6) then became adenomas and finally hepatomas (Fig. 7). In total for these experiments, 88 rats had liver cancers. Among the 88 cases, 67 cases were hepatocyte carcinomas and 21 cases were bile duct cancer (Fig. 8). In 2 cases, lung metastasis was observed (Fig. 9).
Fig. 4.
Diffused hyperplasia of liver cells. Feeding on rice with o-aminoazotoluene for 32 days. Hyperplastic cells were noticeably darker. (From Abbildung 2 of Ref. 6.)
Fig. 5.
Atypical growth of liver cells. Feeding on rice with o-aminoazotoluene for 92 days. Relatively earlier lesion progression indicated the presence of cells with hyperplasia with hypertrophy. Parenchymal liver adenomas were observed locally. (From Abbildung 4 of Ref. 6.)
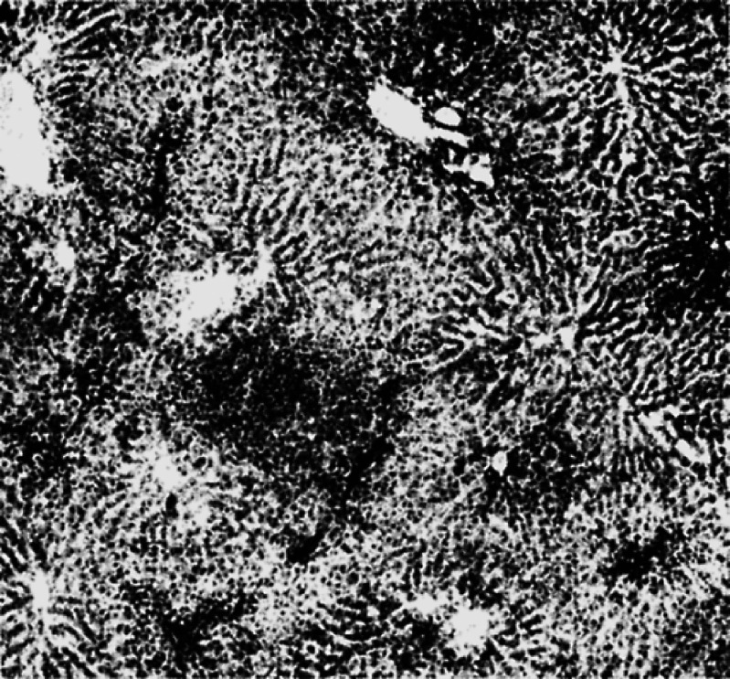
Fig. 6.
Rosette-forming hepatoma. Feeding on rice with o-aminoazotoluene for 270 days. (From Abbildung 21 of Ref. 6.)
Fig. 7.
Hepatoma. Stroma was the lumen of the vessel vascular cavity. In parenchyma, cell polymorphism and large cores of giant cells were observed here and there. Feeding on rice with o-aminoazotoluene for 182 days and then without the agent for 286 days. (From Abbildung 14 of Ref. 6.)
Fig. 8.
Typical cholangioma. Feeding on rice with o-aminoazotoluene for 281 days. (From Abbildung 22 of Ref. 6.)
Fig. 9.
Lung metastasis of hepatoma. Feeding on rice with o-aminoazotoluene for 241 days and then without the agent for 147 days. (From Abbildung 24 of Ref. 6.)
The result of these experiments were published in brief by Yoshida in the Proceedings of the Imperial Academy5) and in detail in Virchows Archiv by Sasaki and Yoshida in their joint names.6) Prior to the publication, Tomizo Yoshida reported the results of these experiments in detail and Takaoki Sasaki made additional comments at TOKYO IGAKKAI in October 1932. In April and November 1934, Sasaki addressed the results at the Japan Association of Medical Sciences and the first Cancer Institute Memorial Lecture, respectively.
Spirit of Takaoki Sasaki
When Takaoki Sasaki gave a lecture, he expressed his beliefs every time. “Klein aber Mein” (small, but it is mine) was the attitude of Takaoki Sasaki. He stated that the accomplishment of everything should be achieved with your own strength without any help from others. Reputable research achievements must depend on individuals and not on organizations. Researchers should devote themselves to their studies, being free to pursue their purpose not for attracting people’s attention forced by coercion, orders, or requests from others, and they should perform steady and accurate research. Researchers should not be dazzled by current trending issues and avoid running about in confusion competing for advantage driven by a desire for fame. The results of research are a kind of consumable item. However, indisputable results from reliable experiments are the foundation for the advancement of knowledge and become immovable values even if they are buried. The evaluation of results may change with time, but true results should not be swayed by trends of the times and must be laid down as cornerstones for development decades later. Truth is universal for all time, regardless of whether the present results are immediately of practical use or not.
Today, 60 years after the death of Takaoki Sasaki, his attitude and words towards science should be deeply engraved in our hearts.
Profile

Takao Sekiya was born in Tokyo in 1939. After graduation from the University of Tokyo School of Pharmaceutical Sciences, he pursued graduate studies on nucleic acids and discovered a unique transfer RNA that does not follow the Crick's wobble hypothesis. He received his PhD degree in 1969 and has continued in the field of nucleic acids research since then. From 1972 to 1976, he was a research associate in Gobind Khorana's laboratory at Massachusetts Institute of Technology, USA, and contributed to the first ever synthesis of an artificial active gene. He was invited to be Section Chief of the Biology Division at National Cancer Center Research Institute, Tokyo, in 1977. In 1984 when the First Comprehensive 10-year Cancer Control Strategy project started and the Oncogene Division was established in the Research Institute, he was appointed as the Chief of the Division. Within this national project, he developed a method named single-strand conformation polymorphism (SSCP) for the analysis of DNA sequence changes. The method in combination with polymerase chain reaction (PCR-SSCP) had been used worldwide for the detection of causal gene mutations in cancers and genetic diseases until the establishment of whole genome sequencing technology. He was Director of the Mitsubishi Chemical Institute of Life Sciences in 2004, Director of the Sasaki Institute in 2010 and Chairman of the Princess Takamatsu Cancer Research Fund from 2016 to 2024. He received the Fujihara Award in 2000, the Japan Academy Prize in 2002 and the Order of the Sacred Treasure in 2016. He has been a member of the Japan Academy since 2005.
[From Proc. Imp. Acad., Vol. 8 No. 9, pp. 464-467 (1932)]




[From Proc. Imp. Acad., Vol.15 No.5, pp.156-164 (1939)]









Footnotes
This paper commemorates the 100th anniversary of this journal and introduces the following papers previously published in this journal. Yoshida, T. (1932) Ueber die experimentelle Erzeugung von Hepatom durch die Fütterung mit o-Amido-azotoluol. Proc. Imp. Acad. 8 (9), 464-467 (https://doi.org/10.2183/pjab1912.8.464); Sasaki, T. and Nagao, N. (1939) Untersuchungen über die chemische Morphopathologie.―Versuche mit 4-Dimethylaminoazobenzol-arsinsäure-(4′) (CH3)2N⎔N:N⎔AsO(OH)2. Proc. Imp. Acad. 15 (6), 156-164 (https://doi.org/10.2183/pjab1912.15.156).
References
- 1).Yamagiwa K., Ichikawa K. (1914) Über die atypische Epithelwucherung. Gann 8, 11-15. [Google Scholar]
- 2).Yamagiwa K., Ichikawa K. (1915) Experimentelle Studie über die Pathogenese der Epithelialgeschwülste (1. Mitteilung). Mitteil. Med. Fakultät. Kaiserl. Univ. Tokyo 15, 295-344. [Google Scholar]
- 3).Yamagiwa K,, Ichikawa K. (1915) Über die kunstliche Erzeugung von Papillom. Verh. Jpn. Path. Ges. 5, 142-148. [Google Scholar]
- 4).Cook J.W., Hieger I.E., Kennaway L., Mayneord W.V. (1932) The production of cancer by pure hydrocarbons―I. Proc. Roy. Soc. Lond. Ser. B 111, 455-484. [Google Scholar]
- 5).Yoshida T. (1932) Ueber die experimentelle Erzeugung von Hepatom druch die Fütterrung mit o-Amido-azotoluol. Proc. Imp. Acad. 8, 464-467. [Google Scholar]
- 6).Sasaki, T. and Yoshida T. (1935) Experimentelle Erzeugung des Lebercarcinoms durch Fütterung mit o-Amidoazotoluol. Virchows Arch. Path. Anat. 295, 175-200. [Google Scholar]
- 7).Sasaki T., Nagao N. (1939) Untersuchungen über die chemische Morphopathologie.―Versuche mit 4-Dimethylaminoazobenzol-arsinsäure-(4′) (CH3)2N⎔N:N⎔AsO(OH)2. Proc. Imp. Acad. 15, 156-164. [Google Scholar]
- 8).Yoshida T., Muta Y., Sasaki Z. (1944) Studien über das “Ascites-Sarcom” (I). Proc. Imp. Acad. 20, 611-616. [Google Scholar]
- 9).Kitagawa T. (2024) Studies on “Ascites sarcoma”. Proc. Jpn. Acad. Ser. B 100, 309-319. [DOI] [PMC free article] [PubMed] [Google Scholar]
- 10).Sugimura T., Nagao M., Okada Y. (1966) Carcinogenic action of N-methyl-N′-nitro-N-nitrosoguanidine. Nature 210, 962-963. [DOI] [PubMed] [Google Scholar]
- 11).Sugimura T., Fujimura S. (1967) Tumour production in glandular stomach of rat by N-methyl-N′-nitro-N-nitrosoguanidine. Nature 216, 943-944. [DOI] [PubMed] [Google Scholar]
- 12).Yoshida T. (1932) Experimenteller Beitrag zur Frage der Epithelmetaplasie. Virchows Arch. Path. Anat. 283, 29-40. [Google Scholar]
- 13).Sasaki T. (1936) Recent studies on development of cancer―Experimental generation of cancer (癌の発生に關する最近の研究―實驗的癌成生の研究に就て). KAGAKU (科学) 6, 313-318 (in Japanese). [Google Scholar]








