Abstract
Today, composite profiles of constant cross section are widely used in advanced engineering structures. The use of composite profiles in window and door structures can reduce thermal bridging and reduce energy consumption for heating and cooling. This article focuses on the production of new, thermoplastic-based structural pultruded profiles and their application in a PVC (polyvinylchloride) window structure as a reinforcement. The heat transfer model was developed to determine die temperature and pulling speed for pultrusion of the 30 × 20 × 3.5 mm tube and a 31.5 × 25.0 × 3.5 mm channel from tapes. The microscopy results demonstrated full consolidation of all tapes in the material, thus confirming proper selection of pultrusion parameters. The mechanical tests results of the welded angle joint show that the window structure with composite reinforcement can be twice as strong as the steel reinforced one. This was achieved by welding the composite reinforcement simultaneously with welding of the PVC frame on a butt welding machine. The results of the hot box test show that the U-value of the window sash and frame with the composite reinforcement is 12% lower than that of a window with a steel reinforcement. The U-value of the window with composite reinforcement is 1.47 W/(m2·K), and that of the steel reinforced window is 1.55 W/(m2·K). Thus, the windows with composite reinforcement have low thermal transmittance complying with building regulations in various countries, and their use is permitted in northern climatic zones.
Supplementary Information
The online version contains supplementary material available at 10.1038/s41598-025-86019-6.
Keywords: Fiber-reinforced materials, Thermoplastic composite, Thermoplastic pultrusion
Subject terms: Mechanical engineering, Composites
Introduction
Advanced composite structures, such as frames1, decks2, enclosures for bridges3, swimming pools, and airports4 are often made of profiles with a constant cross-section5 produced by pultrusion. Pultrusion is the process where reinforcing fibers impregnated with polymer are pulled through a forming die where the material is heated, polymerized, and shaped6. This continuous method allows production of profiles of virtually any length7,8. The advantages of composite structures are corrosion resistance9, high strength10,11, and improved durability12–14. Fiber-reinforced polymers have lower heat transfer coefficient compared to that of steel or aluminum which are widely used in construction. For example, the heat transfer coefficient of glass fiber reinforced polymers (GFRP) is about 0.35–0.80 W/(m·K)15,16, while that of steel is between 15 and 50 W/(m·K)17. A substantial amount of heat is lost from building envelopes due to the effect of thermal bridging caused by the presence of heterogeneous structural elements such as windows, doors, etc18. The heat losses can be reduced through the application of composite materials in the design of building structures15. For example, balcony boards containing fiberglass-reinforced elements proved to be a thermally more advantageous solution than conventional boards17. The use of GFRP made it possible to replace the metal compression rods and reduce the heat losses in buildings19. However, due to the difficulty of recycling, traditional composite materials based on thermoset polymers pose the serious problem. From the environmental standpoint, thermoplastic composites offer a more sustainable and recyclable alternative to thermoset composite structures20. The use of thermoplastic polymers instead of thermoset polymers offers the benefits of nearly indefinitely long storage of source materials21, use of welded joints22, composite rivet fastening23, material recycling24,25, and reduced harmful effects on the environment owing to the absence of volatile organic compounds26.
The thermal transmittance (U-value) of a window depends on the heat transfer coefficients of materials utilized in the construction of transparent parts, frames, and gaskets. The U-value is defined as the amount of heat lost through a window per unit area (1 m²) at the temperature differential of 1 ℃ between the indoor and outdoor environments, with excluded radiation. The hot box testing is the widely used methodology for the U-value measurements27,28. The hot box set-up consists of two enclosed rooms, cold and warm ones, wherein constant individual temperatures are maintained. The cold and warm rooms are separated by a test specimen, which functions as a barrier between the two environments. The total thermal resistance of the window structure is determined based on the heat flow through the sample positioned between the two chambers, allowing for the calculation of the overall thermal resistance of the window structure18. The standards for minimum window U-values in different countries and regions depend on the local climatic conditions15. The position of a window in relation to the exterior wall surface may also influence the rate of heat loss through the window29,30. To enhance the thermal resistance of window structures, laminated glass, inert gases as cavity fillers, and low emissivity coatings are employed27,31. The
-value of the window structure comprising two glazing sections and an air inlet ventilation is found to be 59–80% lower than that of a single glazed window28. The U-value can be reduced by increasing the width of the glazing gap. However, at a certain point, an increase in glazing gap no longer results in meaningful reductions in U-value30. The further increase in U-value can be achieved through the installation of four double-glazed units with low-emission coatings and argon filling of the cavities30. It has been demonstrated that a reduction in the U-value of a window from 1.2 to 0.8 W/(m² K) can result in a 5–15% decrease in the energy consumption for heating or cooling32.
Due to their high thermal resistance and high mechanical properties, composite materials are a promising option for use in window structures. Goldsworthy33 highlighted the appeal of the pultrusion process for the fabrication of composite window and door frames. Nowadays, some manufacturers offer windows with frames made of pultruded thermoset composite profiles34–36. However, thermoset composite frames are more expensive than PVC profile frames. Unlike thermoplastic composite frames, thermoset composite ones are not suited for welding and their recycling is a challenging task. The use of thermoplastic reinforcing elements instead of steel ones inside PVC window frames, sashes, and mullions can further improve thermal resistance of windows.
This paper studies mechanical properties and thermal resistance of PVC window structures with glass fiber and polypropylene (GF/PP) pultruded reinforcements. A heat transfer model was used to determine the optimal pulling speed and heated die temperature for the pultrusion process. Based on the simulation results, an experiment was carried out to produce a rectangular tube and a channel. Mechanical tests were conducted to determine properties of manufactured material. An evaluation of cross section micrographs was carried out by optical microscopy. The U-value measurements were obtained from the hot box testing of a PVC window structure with GF/PP reinforcements made of channel and tube profiles. The use of thermoplastic composite profile as a reinforcement made it possible to produce a welded angle joint of the reinforcing elements simultaneously with welding of the PVC frame. The durability of the welded angle joint was evaluated through a series of mechanical tests.
Materials and methods
Raw materials
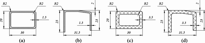
Three polyvinylchloride (PVC) profiles Nordproof 58 (Grain Inc., Russia)37 were used in window structure. Figure 1(a) shows the cross-section of PVC profiles used in the window frame structure. Figure 1(b) shows the cross-section of the window mullion profile. Figure 1(c) is the cross-section of the window sash. Two types of window structure were investigated — the conventional window structure with steel reinforcements and the structure reinforced by pultruded GF/PP profiles. Figure 2(a) shows the cross section of rectangular steel tube used as frame and mullion reinforcement. Figure 2(b) is the section of steel channel used as sash reinforcement. Figure 2(c) shows the section of GF/PP rectangular tube used as window frame and mullion reinforcement. Figure 2(d) shows the section of GF/PP channel used as window sash reinforcement.
Fig. 1.
Cross-sections of PVC profiles used in the window structure: (a) frame, (b) mullion, (c) sash.
Fig. 2.
Cross-sections of window frame reinforcement: (a) steel tube, (b) steel channel, (c) GF/PP tube, (d) GF/PP channel.
Pultrusion setup
Commingled yarns Compofil-PP-80-R-1400B (Jushi, China) with the mass fraction of fibers of 80% and linear density of 1400 tex were used to produce glass fiber/polypropylene tapes in the extrusion machine. The commingled yarns were fed into the extrusion die through a guiding frame. The polymer was heated above the melting point and impregnated into the glass fibers in the die. The tapes production speed was 5 m/min. The production process and properties of produced tapes are described in detail in the authors’ previous work10. Produced GF/PP tapes were used as raw material for pultrusion of composite profiles.
The Pultrex Px500-6T pultrusion machine (Pultrex, UK) was used to produce thermoplastic GF/PP profiles. The pultrusion machine is equipped with a creel, a guiding system, a die block, a puller and a cutting saw. The raw material was fed through the guiding system into the heated die block where it was heated and formed into the profile. The profile was then fed into the cooling die where it was cooled and hardened. Finally, the profile was cut into sections of the desired length using a cutting saw.
The die block for tube pultrusion comprises a heated die, a cooling die, and a mandrel forming the inner cavity of the profile. The heated die of 400 mm × 86 mm × 60 mm has an inner cavity consisting of a rectangular and a tapered section. The 20 mm long rectangular section has a constant cross section of 20 mm × 30 mm and is installed at the exit of the die. The 380 mm long tapered section has a taper angle of 1°. The ratio between the cross-sectional area of the die exit and the die entrance (the die filling ratio) is 0.33. The cooling die has an overall length of 800 mm and cross-sectional dimensions of 70 mm × 53 mm. The inner cavity of the cooling die has a constant cross-section of 20 mm × 30 mm. The cooling die is positioned 20 mm away from the heated die exit. The mandrel with a cross section of 23 mm × 13 mm and a length of 1260 mm is installed at the inlet of the heated die. The mandrel’s corners are rounded with a 2 mm radius. The mandrel has no heating or cooling system. The die is heated by two rectangular flat heaters mounted on the bottom and top faces of the die. Water cooling system with a chiller and hoses is used in the experiment. Figure 3 shows cross-sectional diagram of the heated die. The die block is shown in Fig. 4.
Fig. 3.
Cross-sectional diagram of the heated die used in pultrusion experiment.
Fig. 4.
The die block used for pultrusion of rectangular tube.
The die block for pultrusion of channel profiles consists of the heated die and the cooling die placed 10 mm apart. The heated die measures 400 mm in length, 85 mm in width, and 55 mm in height. The inner part of the die is divided into the 380 mm long tapered part with a taper angle of 0.53° and a 20 mm long rectangular part. The cooling die of 800 mm × 70 mm × 55 mm has the internal cavity with a constant cross section equal to the cross section of the profile. Two thin rectangular heaters were used to heat the die, while water cooling was carried out using a chiller and hoses. Figure 5 shows the cross-sectional diagram of the heated die. The die block is shown in Fig. 6.
Fig. 5.
Cross-sectional diagram of the heated die for pultrusion of channel profiles.
Fig. 6.
The die block for channel pultrusions.
Numerical analysis of pultrusion process parameters
A 3D simulation was performed to analyze the temperature distribution over the die blocks and inside the composite material during pultrusion under various heating conditions and pulling speeds. Temperature distribution data were used to predict the consolidation of tapes inside the composite material and to determine the maximum allowable pulling speed. The composite material and the tape used in the simulations were represented by a single transversely isotropic solid body. The axis of anisotropy coincides with the OX axis of the Cartesian coordinate system, with the OY and OZ axes lying in the cross-sectional plane of the profile. The heated and cooling dies were represented by an isotropic solid bodies.
A numerical simulation of heat transfer was performed based on the equations of heat transfer, which, in the case of thermoplastic pultrusion, can be expressed as follows38:
![]() |
1 |
![]() |
2 |
where
is the temperature,
is the time,
is the pulling speed,
is the density,
is the specific heat,
,
, and
are the thermal conductivities along x, y, and z directions, respectively (x coincides with pulling direction, y and z coincide with the transverse directions). Subscripts
and
correspond to the composite and the die, respectively.
The temperature inside the heater slots was approximated as constant. The temperature was assumed to be constant at the entrance of the heated die block. The temperatures of the heated and cooling slots and of the composite material at the entrance of the heated die are given as a constant surface temperature:
![]() |
3 |
where
is the surface temperature,
is the surface with a constant temperature. Because the contact between the moving composite material and the die block is imperfect, thermal contact resistance exists. Considering the thermal contact resistance, the boundary condition between the composite and die block was modeled through the convective boundary condition39:
![]() |
4 |
where
is the temperature,
is the conductivity,
is the heat transfer area,
is the coefficient of heat transfer between the die block and composite material,
is the temperature of the die block cavity. The heat transfer between the ambient air and the die block, as well as between the ambient air and the composite material, is given by the equation of convective boundary conditions, as follows:
![]() |
5 |
where
is the coefficient of convective heat transfer between the ambient air and the die surface, as well as between the ambient air and the surface of the composite material,
is the temperature of the ambient air.
Material characterization
The Instron 5969 (Instron, USA) testing machine was used for mechanical testing. The testing specimens were prepared at the CNC (computer numerical control) milling machine. Flexural tests were performed in accordance with the ASTM D790-02 procedure. The welded angle joint of window frame profiles with length of 250 mm was tested according to the Scheme A of the GOST 30674-9940. Fiber volume fraction was measured according to ASTM D3171-15 Procedure G (matrix burn-off in a muffle furnace).
The specimens of 25 mm × 25 mm × 3.5 mm for microscopic observation were cast in the epoxy resin and cut perpendicular to the reinforcement direction using a Struers Accutom 100 machine (Struers, USA). Machined specimens were then ground and polished at the MetPrep 3 PH-3 machine (Allied, USA). Polishing suspension with particles of 3 μm was used for finishing polish. The Axio Scope A1 optical microscope (Zeiss, Germany) was used to study the cross sections of profiles.
Hot box tests were conducted following the GOST 26602.1–99 procedure41 in the climatic chamber of TsALESK LLC (Kazan, Russia). Temperature measurements were taken from window surfaces inside the warm and cold rooms. The warm room was maintained at a temperature between 23.5 ℃ and 24.0 ℃ and a humidity of 48–50%, while the cold room was kept at a temperature between − 20.5 ℃ and − 20.0 ℃ and a humidity of 61–62% during the test.
Results and discussion
Simulation results
The 3D heat transfer problem was solved using the Abaqus FEA suite. The finite element model was developed to determine the temperature of the heated die and pulling speed. Due to the symmetry, only a quarter of the die block was modeled. The heating temperature was set at the outer surfaces of the heated die (
). The temperature of the tapes at the die entrance was set at the surface of the composite material (
). The cooling die temperature was set to the four last water channels (
). The composite material was modeled using DCC3D8 linear hexahedral elements with convection, making it possible to set the mass flow. DC3D8 linear hexahedral elements were used for the die block. Figures 7 and 8 show the model of the die block with the composite material (mesh display off) used for pultrusion of tube and channel profiles, respectively. Table 1 provides the parameters of the models. Figure 9 shows heat transfer visualization.
Fig. 7.
The finite element model of the die block with the composite material.
Fig. 8.
The finite element model of the die block with the composite material.
Table 1.
Parameters of heat transfer models for pultrusion.
| Parameter | Symbol | Value | Units | Source |
|---|---|---|---|---|
| Thermal conductivity of composite material | ||||
| Longitudinal direction |
|
0.56 | W/(m·℃) | a |
| Transversal direction |
|
0.35 | W/(m·℃) | a |
| Thermal conductivity of the die block | ||||
| Any direction |
|
47 | W/(m·℃) | c |
| Specific heat of composite material | ||||
| At 20 ℃ |
|
1044 | J/(kg·℃) | a |
| At 110 ℃ |
|
1386 | J/(kg·℃) | a |
| Coefficient of convective heat transfer between the die block and the composite material | ||||
| At x = 0.200, (x = 0.088)* |
|
0.5 | W/(m2·℃) | b |
| At x = 0.241, (x = 0.149)* |
|
1.5 | W/(m2·℃) | b |
| At x = 0.285, (x = 0.222)* |
|
1.5 | W/(m2·℃) | b |
| At x = 0.332, (x = 0.296)* |
|
200 | W/(m2·℃) | b |
| At x = 0.383, (x = 0.373)* |
|
280 | W/(m2·℃) | b |
| At x = 0.390, (x = 0.392)* |
|
320 | W/(m2·℃) | b |
| At x ≥ 0.420 (in cooling die) |
|
2000 | W/(m2·℃) | b |
| Coefficient of convective heat transfer between the ambient air and the profile, and between the ambient air and the die block |
|
10 | W/(m2·℃) | 42 |
| Temperature at the die block entrance |
|
23 | ℃ | c |
| Temperature at the cooling zone |
|
60 | ℃ | c |
| Temperature of the ambient air |
|
23 | ℃ | c |
| Polypropylene melting temperature |
|
155 | ℃ | a |
| Density of composite material | ρ | 1532 | kg/m3 | a |
(a) Determined from testing; (b) assumed value; (c) measured value.
*X-axis values for pultrusion of the channel profile. The determination of heat transfer coefficients is described in Supplementary material.
Fig. 9.
Heat transfer visualization.
The model was used to determine the die heating temperature (
) and the pulling speed that would result in the lowest void content for the profile. The criterion for evaluation was the lowest temperature of the elements inside the profile at the exit of the heated die. The simulation was conducted at various temperatures of the heated die (190℃, 200℃, 210℃, 220℃, 230℃) and various pulling speeds (0.10 m/min, 0.15 m/min, 0.20 m/min, 0.25 m/min, 0.30 m/min, 0.35 m/min, 0.40 m/min) to determine the optimal parameters of pultrusion process. The lowest allowable temperature (
) is the melting point of polypropylene, which is 155 ℃. The highest allowable temperature (
) is 200 ℃ at which the Oxidation Induction Time is 4.5 min43. Thermocouples installed inside the heated die were used to control the heating temperature during the pultrusion process. Once the set temperature was reached, the heaters were turned off and the die was gradually cooled down to the lower limit of the set temperature. When the lower limit was reached, the heaters were turned on and the die was heated. The temperature during the pultrusion process was set within a range of ± 10 ℃. However, the die temperature could vary within the range of ± 20 ℃.
Figure 10 shows the simulation results for tube pultrusion as the graphs of pulling speed vs. temperature inside the profile. The dashed line shows the maximum temperature inside the elements located after the heated die. The solid line shows the minimum temperature inside the elements located after the heated die. Blue color indicates the graph of temperature inside the profile at the heated die temperature of 190 ℃. The burgundy, black, yellow, and gray colors correspond to the heated die temperatures of 200 ℃, 210 ℃, 220 ℃, and 230 ℃, respectively. The red dashed line indicates the minimum and maximum allowable temperatures of 200 ℃ and 155 ℃, respectively.
Fig. 10.
Graphs of temperature dependence inside the profile on pulling speed.
When selecting process parameters, it should be considered that the heated die temperature (
) may be 20 ℃ lower than the set temperature. Therefore, the lower boundary of the solution will correspond to the graph of the minimum profile temperature at the set heating temperature which is 20 ℃ lower (the graph line corresponding to the temperature of
℃). Similarly, the upper boundary will correspond to the graph of the maximum profile temperature at the set heating temperature which is 20 ℃ higher (the graph line corresponding to the temperature of
℃).
When the heater temperature is set to 190 ℃ or 200 ℃, with a fluctuations of 20 ℃ there is a possibility that the material will not reach its melting point. However, when the heating temperature is set to 210 ℃, with a temperature fluctuation of -20 ℃ (190 ℃) the temperature of material will exceed its melting point. The maximum temperature in the profile at the set heated die temperature of 210 ℃ only slightly exceeds 200 ℃. However, given the temperature fluctuation of + 20℃, the maximum profile temperature may exceed the allowable limit, reaching 230 ℃ as shown by the dashed line in the graph. If the die temperature rises above 210 ℃, this may cause polymer degradation. According to the simulation results, the heaters should be set to 210 ℃, and the pulling speed should not exceed 0.1 m/min.
Figure 11 shows the heat transfer simulation results for channel pultrusions as graphs of the minimum and maximum temperature inside the element after the heated die. The graph of the minimum temperature inside the profile shows that the minimum allowable heating temperature is 170 ℃ and the maximum pulling speed corresponds to 0.15 m/min. Considering the temperature fluctuations, it is reasonable to consider a heated die temperature of at least 190 ℃. If the temperature during the pultrusion process exceeds 190 ℃, polymer degradation may occur. To minimize the material’s exposure to high temperatures, a pulling speed of 0.15 m/min was chosen.
Fig. 11.
Graphs of pulling speed vs. temperature inside the profile: (a) minimum material temperature, (b) maximum material temperature.
Pultruded materials and their mechanical properties
According to the simulation results, thermoplastic tube profile was manufactured at the temperature of 190 ℃ and the pulling speed of 0.15 m/min. The channel profile was manufactured at the temperature of 210 ℃ and the pulling speed of 0.10 m/min. Figure 12 shows pultruded profiles. The upper wall of the tube profile is thinner than the lower wall. This is because the mandrel is fixed only at the entrance of the heated die. The movement of glass fiber and polymer during pultrusion can cause the end of the mandrel to shift from its initial position, thus resulting in increased thickness of one wall of the profile and reduced thickness of the opposite wall. The channel profile walls have uniform thickness. The surface of the profile is glossy.
Fig. 12.
Pultruded thermoplastic profiles: (a) tube, (b) channel.
Figure 13 shows micrographs of the tube cross section, revealing pores, indentations and thickness variations of its inner surfaces. These imperfections are a result of the insufficient number of tapes used to fill the entire cross section of the profile. Otherwise, micrographs demonstrate good consolidation of tapes inside the profile, although there are areas of unimpregnated fibers that can be attributed to their presence in the tapes. Figure 14 shows the micrograph of the channel profile. One can see good consolidation of tapes with each other, with small regions of unimpregnated fibers, voids between tapes are absent. Therefore, pultrusion process parameters were correctly determined by the simulation.
Fig. 13.
Micrographs of the tube profile.
Fig. 14.
Micrographs of the channel profile.
Flexural tests were conducted on specimens cut from the lateral wall of the channel profile. Table 2 presents the results of mechanical tests. For the purpose of comparison, the data from scientific literature are also presented. The table shows the results of mechanical tests conducted on a flat profile manufactured in the previous study from the same tapes used for pultrusion of channel and tube profiles. The material properties of the channel profile are similar to those of the strip profile. The flexural properties of the structural profile are comparable to or exceed those of the strip profiles presented in the literature.
Table 2.
Mechanical properties of pultruded material.
| Property | Channel profile (current research) | Strip profile by Minchenkov10* | Strip profile by Minchenkov16 | Strip profile by Novo11 | Strip profile by Esfandiari45 |
|---|---|---|---|---|---|
| Flexural strength [MPa] | 534 ± 47 | 532 ± 28 | 411 ± 28 | 595 ± 24 | 416 ± 13 |
| Flexural modulus [GPa] | 34.8 ± 2.2 | 38.7 ± 0.9 | 26.8 ± 0.5 | 26.2 ± 2.0 | 20.9 ± 0.9 |
| Dimensions [mm × mm] | 31.5 × 25 | 75 × 3.5 | 75 × 3.5 | 20 × 2.0 | 20 × 2.0 |
| Fiber volume fraction [–] | 0.48 | 0.50 | 0.38 | 0.37 | 0.36 |
*The strip profile was made from the same tapes as the channel profile produced in the current study.
Window assembly and mechanical properties
The windows were assembled by Kaskad LLC (Chelyabinsk, Russia). Figure 15 shows the assembled window, mullion, sash, and frame structures with the reinforcement and the welded angle joint of reinforcing elements. The window has dimensions of 1300 mm × 1500 mm. Pultruded profiles are fixed within the PVC profiles by screws. The PVC frames and the composite thermoplastic reinforcement were welded simultaneously in a single operation, using butt-welding machines. The welding process in shown in Fig. 16. The welding mirror temperature was set to 230–250 ℃ and the weld was heated for 25–40 s. Welded parts were pressed together for 25–40 s. Than the weld was cooled at room temperature for at least 5 min.
Fig. 15.
PVC window structure with GF/PP reinforcement: (a) assembled window, (b) welded reinforcement in the angle joint, (c) mullion, (d) sash, (e) frame.
Fig. 16.
Welding of the window angle joint on the butt-welding machine.
Mechanical tests were conducted to identify the maximum force the angle joint can withstand for 3 min without failure. The maximum permissible height of the window frame is determined based on the strength of the angle joint (with a fixed window frame width of 1000 mm). Figure 17 shows mechanical testing of the angle joint, including test setup and specimen failure. Table 3 shows the minimum required load values for the angle joint, as well as the results of mechanical tests.
Fig. 17.
Mechanical test of welded window angle joint: (a) test bench, (b) specimen failure.
Table 3.
Mechanical test results of welded angle joint.
| Sash height [mm] | Minimum required load for sash height [N] | Maximum load (steel reinforcement), [N] | Maximum load (composite reinforcement), [N] |
|---|---|---|---|
| Less than 1300 | 750 | 705 | 1426 |
| 1300–1500 | 800 | ||
| 1500–1800 | 900 |
The mechanical testing results show that the window structure with a composite reinforcement can withstand loads twice as high as the window with a steel reinforcement. The advantage of thermoplastic composite reinforcements is the ability of welding the reinforcement elements simultaneously with welding of PVC window profiles.
Hot box test results
Figure 18 shows thermal infrared images of window structures in the steady state condition of hot box testing and location of thermocouples on the window surfaces. Temperature measurements were conducted for four distinct window components: the sash, frame, glazing and glazing edge. Table 4 shows temperature and heat flux density measurement results. The window with a pultruded thermoplastic reinforcement has the surface temperature that is 0.3 ℃ to 1.7 ℃ higher than that of the window with a steel reinforcement, depending on the measurement point. The heat flux through the sash and through the frame is 5 W/m2 and 7 W/m2 higher for the steel reinforcement window, respectively. The thermal resistance value (
-value) is calculated by averaging it over the design surface area of the heterogeneous window structure. The R-value is calculated after the hot box testing, in accordance to GOST 26602.1–9941. The U-value is calculated as the inverse of the R-value. Calculated R-value, U-value and U-factor for each window component are shown in Table 5.
Fig. 18.
Thermal infrared image of the window structure with (a) steel reinforcement and (b) GF/PP reinforcement.
Table 4.
Surface temperature measurements of window with steel reinforcement and window with composite reinforcement.
| Parameter | Reinforcement material | Window section | |||
|---|---|---|---|---|---|
| Sash | Frame | Glazing | Glazing edge | ||
| Mean surface temperature in warm room [℃] | Steel | 16.1 | 15.8 | 15.1 | 12.1 |
| GF/PP | 17.8 | 16.8 | 15.5 | 12.4 | |
| Mean surface temperature in cold room [℃] | Steel | − 14.0 | − 13.2 | − 15.0 | − 13.0 |
| GF/PP | − 15.0 | − 14.5 | − 15.5 | − 13.3 | |
| Mean heat flux density [W/m2] | Steel | 59 | 62 | 63 | 67 |
| GF/PP | 54 | 55 | 63 | 67 | |
| Section area [m2] | – | 0.293 | 0.350 | 1.235 | 0.072 |
Table 5.
Thermal transmittance of window structures.
| Reinforcement material | Window section | R-value [(m2·℃)/W] | *U-value [W/(m2·K)] | *U-factor [Btu/(h·ft2·℉)] |
|---|---|---|---|---|
| Steel | Sash | 0.678 | 1.47 | 0.26 |
| Frame | 0.638 | 1.57 | 0.28 | |
| Glazing | 0.648 | 1.54 | 0.27 | |
| Glazing edge | 0.538 | 1.86 | 0.33 | |
| Whole window | 0.647 | 1.55 | 0.27 | |
| GF/PP | Sash | 0.778 | 1.29 | 0.23 |
| Frame | 0.738 | 1.36 | 0.24 | |
| Glazing | 0.658 | 1.52 | 0.27 | |
| Glazing edge | 0.548 | 1.82 | 0.32 | |
| Whole window | 0.681 | 1.47 | 0.26 |
*Calculated from R-value.
The U-value of the sash and the frame of the window with a composite reinforcement is 12% and 13% lower, respectively, than that of a window with a steel reinforcement. It was observed that replacement of the steel reinforcement with a composite one results in reduction of the U-value of the glazing edge.
According to the report of ECOFYS (Minimum Performance Requirements for Window Replacement in the Residential Sector)46, each country of the European Union has established minimum thermal transmittance requirements for window structures. Based on the thermal transmittance requirements and hot-box test results, PVC windows with composite reinforcement can be used in more countries of the European Union (Belgium, Czech Republic, Luxembourg, Romania) than PVC windows with steel reinforcement.
In accordance with the Energy Star Certification Criteria for Residential Windows47 and hot-box test results, windows with a composite reinforcement, as opposed to the a steel reinforced ones, are suitable for use in the Northern climatic zone.
In accordance with the Russian GOST 23166-99, window structures are subdivided into classes based on measured value of thermal transmittance. The window structure with the steel reinforcement is rated as С1 class, and windows with the composite core are rated as B2 class windows. The B2 class windows have higher thermal resistance and can be used in the northern climatic zone. Thus, the use of thermoplastic reinforcement core instead of the steel one will make it possible to expand the application of window structures with no need of changing the PVC profile.
Conclusion
In this study the heat transfer model of the pultrusion process was developed to determine the optimal heated die temperature and the pulling speed for fiberglass/polypropylene tube and channel profiles. The results of the modeling indicate that a tube can be fabricated at the heating temperature of 210 ℃ and a pulling speed of 0.1 m/min, while a channel profile can be produced at the heating die temperature of 190 ℃ and a pulling speed of 0.15 m/min. Optical microscopy of the profile material demonstrated the correctness of pultrusion process parameters. These profiles were used as reinforcements for the window structure. The design has the added benefit of allowing simultaneous welding of composite reinforcement core and of PVC profile corner joints. The produced window structures were further subjected to thermal testing. The main outcomes of the study can be summarized as follows:
Developed 3D heat transfer model was found to be a valuable tool allowing prediction of temperatures of the heated die and of pulling speed for pultrusion of new structural profiles. The process parameters determined with the use of the model provided full consolidation of tapes within pultruded rectangular tube and channel profiles.
The use of GF/PP pultruded profiles as reinforcements for window structures allows the simultaneous welding both of window frame angle joints and of their reinforcement. The mechanical properties of the angle joints with welded GF/PP reinforcements are twice as high compared to PVC window frames with steel reinforcement (1426 N vs. 705 N).
Results of the hot box testing show that window structures with pultruded GF/PP reinforcement have higher thermal resistance compared to that of steel reinforced windows, and сan be used in cold climatic zones. The U-value of the sash and frame of the window with the composite reinforcement is 12% and 13% lower, respectively, than that of the window with a steel reinforcement.
Electronic supplementary material
Below is the link to the electronic supplementary material.
Author contributions
Kirill Minchenkov: Investigation, Data curation, Writing - original draft, Writing – review & editing. Sergey Gusev: Investigation, Resources. Ivan Sergeichev: Methodology, Funding acquisition, Software. Alexander Safonov: Methodology, Supervision, Conceptualization, Writing – review & editing.
Data availability
The data presented in this study are available on request from the corresponding author.
Declarations
Competing interests
The authors declare no competing interests.
Footnotes
Publisher’s note
Springer Nature remains neutral with regard to jurisdictional claims in published maps and institutional affiliations.
References
- 1.Yang, X., Bai, Y., Luo, F. J., Zhao, X. L. & Ding, F. Dynamic and fatigue performances of a large-scale space frame assembled using pultruded GFRP composites. Compos. Struct.138, 227–236. 10.1016/j.compstruct.2015.11.064 (2016). [Google Scholar]
- 2.Sá, M. F., Gomes, A. M., Correia, J. R. & Silvestre, N. Flexural creep response of pultruded GFRP deck panels: proposal for obtaining full-section viscoelastic moduli and creep coefficients. Compos. Part. B Eng.98, 213–224. 10.1016/j.compositesb.2016.05.026 (2016). [Google Scholar]
- 3.Mottram, J. T. Short- and long-term structural properties of pultruded beam assemblies fabricated using adhesive bonding. Compos. Struct.25, 387–395. 10.1016/0263-8223(93)90186-T (1993). [Google Scholar]
- 4.Starr, T. Pultrusion for Engineers (Woodhead Publishing, 2000).
- 5.Minchenkov, K., Vedernikov, A., Safonov, A. & Akhatov, I. Thermoplastic pultrusion: a review. Polym. (Basel). 13, 1–36. 10.3390/polym13020180 (2021). [DOI] [PMC free article] [PubMed] [Google Scholar]
- 6.Vedernikov, A., Safonov, A., Tucci, F., Carlone, P. & Akhatov, I. Pultruded materials and structures: a review. J. Compos. Mater.10.1177/0021998320922894 (2020). [Google Scholar]
- 7.Tucci, F., Rubino, F., Pasquino, G. & Carlone, P. Thermoplastic pultrusion process of Polypropylene/Glass Tapes. Polym. (Basel). 15, 2374. 10.3390/polym15102374 (2023). [DOI] [PMC free article] [PubMed] [Google Scholar]
- 8.Alsinani, N., Ghaedsharaf, M. & Laberge Lebel, L. Effect of cooling temperature on deconsolidation and pulling forces in a thermoplastic pultrusion process. Compos. Part. B Eng. 219. 10.1016/j.compositesb.2021.108889 (2021).
- 9.Ueda, M., Ui, N. & Ohtani, A. Lightweight and anti-corrosive fiber reinforced thermoplastic rivet. Compos. Struct.188, 356–362. 10.1016/j.compstruct.2018.01.040 (2018). [Google Scholar]
- 10.Minchenkov, K., Gusev, S., Rogozheva, A., Tronin, A. & Diatlova, M. Pultrusion of thermoplastic composites with mechanical properties comparable to industrial thermoset profiles. Compos. Commun.44, 101766. 10.1016/j.coco.2023.101766 (2023). [Google Scholar]
- 11.Novo, P. J., Silva, J. F., Nunes, J. P. & Marques, A. T. Pultrusion of fibre reinforced thermoplastic pre-impregnated materials. Compos. Part. B Eng.89, 328–339. 10.1016/j.compositesb.2015.12.026 (2016). [Google Scholar]
- 12.Dong, S., Zhou, P., Guo, R., Li, C. & Xian, G. Durability study of glass fiber reinforced polypropylene sheet under simulated seawater sea sand concrete environment. J. Mater. Res. Technol.20, 1079–1092. 10.1016/j.jmrt.2022.07.097 (2022). [Google Scholar]
- 13.Zhou, P. et al. Durability study on the interlaminar shear behavior of glass-fibre reinforced polypropylene (GFRPP) bars for marine applications. Constr. Build. Mater.349, 128694. 10.1016/j.conbuildmat.2022.128694 (2022). [Google Scholar]
- 14.Li, C., Yin, X., Liu, Y., Guo, R. & Xian, G. Long-term service evaluation of a pultruded carbon/glass hybrid rod exposed to elevated temperature, hydraulic pressure and fatigue load coupling. Int. J. Fatigue. 134, 105480. 10.1016/j.ijfatigue.2020.105480 (2020). [Google Scholar]
- 15.Goulouti, K., de Castro, J. & Keller, T. Aramid/glass fiber-reinforced thermal break - thermal and structural performance. Compos. Struct.136, 113–123. 10.1016/j.compstruct.2015.10.001 (2016). [Google Scholar]
- 16.Minchenkov, K. et al. Experimental and numerical analyses of the thermoplastic pultrusion of large structural profiles. Mater. Des.232, 112149 (2023). [Google Scholar]
- 17.Goulouti, K., De Castro, J., Vassilopoulos, A. P. & Keller, T. Thermal performance evaluation of fiber-reinforced polymer thermal breaks for balcony connections. Energy Build.70, 365–371. 10.1016/j.enbuild.2013.11.070 (2014). [Google Scholar]
- 18.Asdrubali, F. & Baldinelli, G. Thermal transmittance measurements with the hot box method: calibration, experimental procedures, and uncertainty analyses of three different approaches. Energy Build.43, 1618–1626. 10.1016/j.enbuild.2011.03.005 (2011). [Google Scholar]
- 19.Ghazi Wakili, K., Simmler, H. & Frank, T. Experimental and numerical thermal analysis of a balcony board with integrated glass fibre reinforced polymer GFRP elements. Energy Build.39, 76–81. 10.1016/j.enbuild.2006.05.002 (2007). [Google Scholar]
- 20.Volk, M. et al. Cost-efficient, automated, and sustainable composite profile manufacture: a review of the state of the art, innovations, and future of pultrusion technologies. Compos. Part. B Eng.246, 110135. 10.1016/j.compositesb.2022.110135 (2022). [Google Scholar]
- 21.Suresh, S. & Senthil Kumar, V. S. Effects of fabric structure on the formability characteristics of thermoplastic composites under various process conditions. Trans. Can. Soc. Mech. Eng.42, 298–308. 10.1139/tcsme-2017-0075 (2018). [Google Scholar]
- 22.Choudhury, M. R. & Debnath, K. A review of the research and advances in electromagnetic joining of fiber-reinforced thermoplastic composites. Polym. Eng. Sci.59, 1965–1985. 10.1002/pen.25207 (2019). [Google Scholar]
- 23.Absi, C., Alsinani, N. & Laberge Lebel, L. Carbon fiber reinforced poly(ether ether ketone) rivets for fastening composite structures. Compos. Struct.280, 114877. 10.1016/j.compstruct.2021.114877 (2021). [Google Scholar]
- 24.Tapper, R. J., Longana, M. L., Hamerton, I. & Potter, K. D. A closed-loop recycling process for discontinuous carbon fibre polyamide 6 composites. Compos. Part. B Eng.179, 107418. 10.1016/j.compositesb.2019.107418 (2019). [Google Scholar]
- 25.Kravtsova, V. et al. Recyclability of unidirectional reinforced pultruded thermoplastic profiles into composite laminates. Compos. Commun.46, 101843. 10.1016/j.coco.2024.101843 (2024). [Google Scholar]
- 26.Volk, M., Wong, J., Arreguin, S. & Ermanni, P. Pultrusion of large thermoplastic composite profiles up to Ø 40 mm from glass-fibre/PET commingled yarns. Compos. Part. B Eng.227, 109339. 10.1016/j.compositesb.2021.109339 (2021). [Google Scholar]
- 27.Sun, Y., Wu, Y. & Wilson, R. A review of thermal and optical characterisation of complex window systems and their building performance prediction. Appl. Energy. 222, 729–747. 10.1016/j.apenergy.2018.03.144 (2018). [Google Scholar]
- 28.Huang, Y., El Mankibi, M. & Cantin, R. Thermal performance characterization of supply-air double windows: a new guarded hot box protocol and numerical modelization. Energy Build.287, 112993. 10.1016/j.enbuild.2023.112993 (2023). [Google Scholar]
- 29.Adamus, J. & Pomada, M. Analysis of heat flow in composite structures used in window installation. Compos. Struct.202, 127–135. 10.1016/j.compstruct.2017.12.077 (2018). [Google Scholar]
- 30.Arici, M. & Kan, M. An investigation of flow and conjugate heat transfer in multiple pane windows with respect to gap width, emissivity and gas filling. Renew. Energy. 75, 249–256. 10.1016/j.renene.2014.10.004 (2015). [Google Scholar]
- 31.Lacki, P., Różycka, J. & Rogoziński, M. Analysis of heat transfer through PVC window profile reinforced with Ti6Al4V alloy. Key Eng. Mater.687, 236–242. 10.4028/www.scientific.net/KEM.687.236 (2016). [Google Scholar]
- 32.Grynning, S., Gustavsen, A., Time, B. & Jelle, B. P. Windows in the buildings of tomorrow: Energy losers or energy gainers? Energy Build.61, 185–192. 10.1016/j.enbuild.2013.02.029 (2013). [Google Scholar]
- 33.Goldsworthy, W. B. The future – beyond 2000. In: (ed Starr, T.) Pultrusion Eng., New York: Elsevier; 264–300. 10.1533/9781855738881.264. (2000). [Google Scholar]
- 34.Milgard accessed July 19,. Fiberglass window C650 Ultra Series n.d. (2024). https://www.milgard.com/windows/C650
- 35.Marvin accessed July 19,. Ultrex fiberglass n.d. (2024). https://www.marvin.com/c/explore-ultrex
- 36.Alpen accessed July 19,. Zenith series n.d. (2024). https://thinkalpen.com/products/windows-doors-glass/
- 37.Grain accessed April 5,. Nordprof 58 n.d. (2024). https://grain-prof.ru/products/nordprof/nordprof-58/
- 38.Baran, I., Tutum, C. C., Nielsen, M. W. & Hattel, J. H. Process induced residual stresses and distortions in pultrusion. Compos. Part. B Eng.51, 148–161. 10.1016/j.compositesb.2013.03.031 (2013). [Google Scholar]
- 39.Hackett, R. M. & Zhu, S. Z. Two-dimensional finite element model of the pultrusion process. J. Reinf Plast. Compos.11, 1322–1351. 10.1177/073168449201101201 (1992). [Google Scholar]
- 40.GOST 30674. Window blocks made of polyvinyl chloride profiles. Specifications (1999).
- 41.GOST 26602. 1–99, Windows and Doors (Methods of determination of resistance of thermal transmission, 1999).
- 42.Safonov, A. et al. Modeling of cracking during pultrusion of large-size profiles. Compos. Struct.235, 111801. 10.1016/j.compstruct.2019.111801 (2020). [Google Scholar]
- 43.de Carvalho, C. L., Silveira, A. F. & dos Santos Rosa, D. A study of the controlled degradation of polypropylene containing pro-oxidant agents. Springerplus2, 1–11. 10.1186/2193-1801-2-623 (2013). [DOI] [PMC free article] [PubMed] [Google Scholar]
- 44.Minchenkov, K. et al. Effects of the quality of pre-consolidated materials on the mechanical properties and morphology of thermoplastic pultruded flat laminates. Compos. Commun.35, 101281. 10.1016/j.coco.2022.101281 (2022). [Google Scholar]
- 45.Esfandiari, P., Silva, J. F., Novo, P. J., Nunes, J. P. & Marques, A. T. Production and processing of pre-impregnated thermoplastic tapes by pultrusion and compression moulding. J. Compos. Mater.56, 1667–1676. 10.1177/00219983221083841 (2022). [Google Scholar]
- 46.Glass for Europe. Minimum performance requirements for windows n.d. accessed July 19, (2024). https://glassforeurope.com/minimum-performance-requirements-for-windows/#
- 47.Energy Star. Performance criteria n.d. accessed July 19, (2024). https://www.energystar.gov/products/res_windows_doors_skylights/key-product-criteria#performanceCriteria
Associated Data
This section collects any data citations, data availability statements, or supplementary materials included in this article.
Supplementary Materials
Data Availability Statement
The data presented in this study are available on request from the corresponding author.








































