CASE PRESENTATION
HASKELL KIRKPATRICK, MD: A 50-year-old, previously healthy white man with right ear pain and hearing loss, right facial swelling, right hemisphere headaches, slurred speech, and right-sided facial paralysis was transferred to Baylor University Medical Center (BUMC) from one of its affiliated hospitals. The patient was in his usual state of health until 2 weeks prior to the first hospital admission. The patient claimed that during a camping trip, an insect thought to be a centipede crawled into his right ear. He spent approximately 1 hour removing the insect from his ear canal. Afterward, he began to experience increasing pain and swelling. The next day he was seen by his primary care physician, who prescribed an unknown antibiotic. The patient noted no improvement in symptoms and was evaluated 2 days later by an otolaryngologist who “drained his ear canal” and changed his antibiotics. Despite these efforts, the patient's symptoms worsened, and a purulent right ear discharge developed.
After 1 week (5 days prior to transfer), he was admitted to a local hospital. He still had hearing loss and facial paralysis, and the facial swelling had extended into his neck. He was given levofloxacin, ofloxacin otic solution, acyclovir, and dexamethasone. On day 2 of that hospitalization, an insulin sliding scale had to be initiated for elevated blood glucose. Two days prior to transfer, his antibiotics were switched to ceftazidime, tobramycin, and piperacillin/tazobactam.
Upon transfer to BUMC, his symptoms had worsened despite these intravenous antibiotics. New symptoms included dysphagia and a cough productive of white sputum. He denied fever, chills, night sweats, dyspnea, chest pain, fatigue, abdominal pain, constipation, diarrhea, urinary changes, or peripheral edema. His past medical history included sinus surgery at age 25 and a questionable diagnosis of diabetes mellitus several years earlier for which he took no medications and made no dietary changes.
The patient worked at a refrigerator plant, was married, and had 2 children. He had been a 90-pack-year smoker but had quit 8 years before. He denied using alcohol or illicit drugs and had no known drug allergies.
At BUMC, his temperature was 36.1°C (97.0°F); heart rate, 84 beats per minute; respiratory rate, 24 breaths per minute; and blood pressure, 170/90 mm Hg. He was ill appearing and in obvious discomfort, clutching his right ear and neck. The right side of his face was swollen and edematous from the supraclavicular notch to the right orbit. The right pupil was 2 mm and the left pupil was 3 mm in diameter; both were reactive to light, and extraocular movements were intact. The right auricle was erythematous, swollen, and tender to palpation. The external acoustic meatus was swollen, and the tympanic membrane was not visible. The patient's nares were patent with white-yellow discharge, and the oropharynx was narrowed with the uvula deviated to the left. The right side of his neck was erythematous and swollen down to the right scapula and was tender to palpation. There was no fluctuance, crepitance, or evidence of meningeal irritation. Carotid pulses were normal.
His chest was clear to auscultation; heart rate and rhythm were regular with normal S1 and S2 and no murmurs, rubs, or gallops. His abdomen was soft and nontender, his bowel sounds were normal, and there was no hepatosplenomegaly. The extremities showed no clubbing, cyanosis, or edema, and distal pulses were intact. No skin rashes were noted. Neurologic examination revealed that the patient was alert and oriented with an obvious right facial droop. Cranial nerves I, II, IV through VI, and VIII through XII were intact; the right corneal reflex was absent. He had decreased sensation in the right mandibular and axillary branch regions of cranial nerve V and a right peripheral VII lesion. His motor strength and sensation were intact and so were his reflexes. No clonus was noted. The patient's admission laboratory results are summarized in Table 1.
Table 1.
Laboratory values on admission to BUMC
| Sodium | 140 mEq/L | Alkaline phosphatase | 122 U/L |
| Potassium | 4.1 mEq/L | Aspartate aminotransferase | 52 U/L |
| Chloride | 93 mEq/L | Alanine aminotransferase | 33 U/L |
| Bicarbonate | 30 mEq/L | White blood cell count | 23.3×103/μ?L |
| Blood urea nitrogen | 16 mg/dL | Differential | 90% neutrophils |
| Creatinine | 0.7 mg/dL | 5% lymphocytes | |
| Glucose | 256 mg/dL | 5% monocytes | |
| Calcium | 9.4 mg/dL | Hemoglobin | 16.6 g/dL |
| Total protein | 7.6 g/dL | Hematocrit | 49.0% |
| Albumin | 3.8 g/dL | Mean corpuscular volume | 83.3 fL |
| Total bilirubin | 0.8 mg/dL | Platelet count | 280×103/μL |
| Hemoglobin A1c | 13.4% |
IMAGING STUDIES
VAN WADLINGTON, MD: Computed tomography (CT) examination revealed thickened tissue around the right external auditory canal, opacification of the mastoid air cells, and swelling of the right pterygoid muscles and retropharynx (Figure 1) as well as occlusion of the right sigmoid sinus and jugular bulb. Magnetic resonance imaging (MRI) revealed the same findings (Figure 2). MRI was most helpful because it showed no involvement of the cavernous sinus or brain. No localized fluid collection was present to suggest an abscess. This finding is consistent with an infectious process involving the dura and causing sinus thrombosis.
Figure 1.

(a) The CT scan reveals thickened tissue around the right external auditory canal (arrow) and thrombosis in the jugular bulb (arrowhead). The pterygoid muscles and retropharyngeal tissues are thickened (curved arrows). (b) There is opacification of the mastoid air cells (arrowhead) and right external auditory canal (arrow).
Figure 2.

(a) MRI reveals opacified mastoid air cells (arrowheads) and edematous muscles (curved arrow). (b) The black circle with a white rim is the occlusion of the lateral right transverse sinus (arrow). The brain appears normal.
DIFFERENTIAL DIAGNOSIS
R. ELLWOOD JONES, MD: Campers in sleeping bags on the ground, particularly in the wintertime or in the mountains, will occasionally find a ground squirrel or a snake crawling in with them for warmth. In the summer, insects enter the ear. Why the ear? Whether the insect is making a random attack, looking for a warm space, or responding to an attractive smell, I don't know. If an insect enters the ear, the ear may be flooded with alcohol or water, either inebriating the critter or drowning it, and the insect flushed out. If the insect is alive and moving around, attempts to remove it with an instrument are futile.
In the case presented today, it is obvious that the patient has an infection. Considering his history, however, one might ask if the reaction could have been caused by a brown recluse spider that entered his ear and envenomated him. That's a possibility, but his lack of systemic symptoms early on and of the characteristic eschar at this time argue against a brown recluse spider bite. If he had been sleeping or lying on the ground, could he have been envenomated by a snake, say, one of the pit viper family, most likely a copperhead in this neighborhood? The local reaction would fit very well with a snakebite, particularly from a copperhead who has a low order of venom, but the lack of gangrene or systemic symptoms rules that out.
Vasculitis is a recurring theme in “unknown” case discussions. However, vasculitis is not usually localized, and the only vasculitis I could come up with in this patient would be a temporal arteritis. He's a bit young for that, and the local reaction is too severe for a temporal arteritis.
Malignancy is another possibility, and lymphoma heads the list of unknown case discussion diagnoses. However, no nodes are involved, according to the scans. The symptoms are unilateral, and that doesn't fit very well. Squamous cell carcinoma is in the differential, although not very high on the list, and I hope the surgeons did a biopsy to make sure that this was not an epidermoid carcinoma. Also, a melanoma of the head and neck or a soft tissue sarcoma could present something like this. But again, this patient's course was a bit rapid and catastrophic.
Since we know thromboses are involved, we could consider a hypercoagulable state. However, there is not enough thrombosis to make me seriously consider that diagnosis.
So now we come back to our infectious cause. Streptococcus comes to mind because of the rapid onset, rapid spread, thrombotic features, and release of enzymes that cause tissue destruction and penetration. That would fit very nicely. The same thing is true of Staphylococcus, which has learned some of the tricks of Streptococcus. But where is the abscess? We heard nothing about an abscess on the scans. And, in all likelihood, although we don't know what the initial antibiotic was, the patient was probably put on an antibiotic that would work well for a streptococcal or staphylococcal infection, but his symptoms did not respond.
The absolute crux of this case, regardless of whether the patient wants to admit it or even whether he was ever told his diagnosis, is the diabetes mellitus—and an out-of-control diabetes at that. Those of us who are old and gray dealt with acquired immunodeficiency syndrome long before HIV was known. Diabetes classically causes immunosuppression, as do lymphoma, leukemia, and chemotherapy.
When we approach this case from the standpoint of an infection in a diabetic patient, 2 things come to mind. The first is rhinocerebral mucormycosis, which is seen in diabetes and affects the nasopharyngeal area. However, in this case there was no diabetic ketoacidosis and no eschar, both of which occur commonly with mucor.
The second diagnosis is what I think this patient has: malignant external otitis, an infection caused by Pseudomonas aeruginosa in virtually 100% of cases. It was described initially in 1968. It occurs in patients with diabetes some 93% of the time and in patients >55 years of age (1–3). The hallmark of the disease is unrelenting pain accompanied by discharge from the ear. These patients are usually afebrile. In most cases, diagnosis is delayed an average of 6 weeks, which we see here. Complications include deficits in cranial nerve VII in 47% of patients and in other cranial nerves in 27% of patients. Meningitis is seen in 11% of patients. The mortality rate is 53%. Thrombosis of the jugular and venous sinuses is common.
Therapy of this entity is straightforward: antipseudomonal antibiotics for 6 weeks. One choice is high-dose ceftazidime, 2 g every 8 hours. Imipenem has been mentioned by several different authors. Early on, ciprofloxacin could be tried in a very small or localized infection. Surgical treatment is mandatory: the deep spaces must be drained and material obtained for cultures at the same time. Malignant external otitis is a very deceptive disease. Pus may be present even though we don't see pus on the scans, and it needs to be drained and decompressed.
This patient could easily die from the disease or its complications. He needs to be in an intensive care unit. He already had airway involvement at the time of presentation and is at risk of aspirating. Managing his condition will be difficult. The chances of his regaining cranial nerves V, VII, and VIII are not good. I think this man has malignant external otitis in a very unfortunate presentation. It is apparent from the tracheostomy, which I wasn't told about, that things have not gone particularly well. I hope he will survive.
PATHOLOGY REPORT
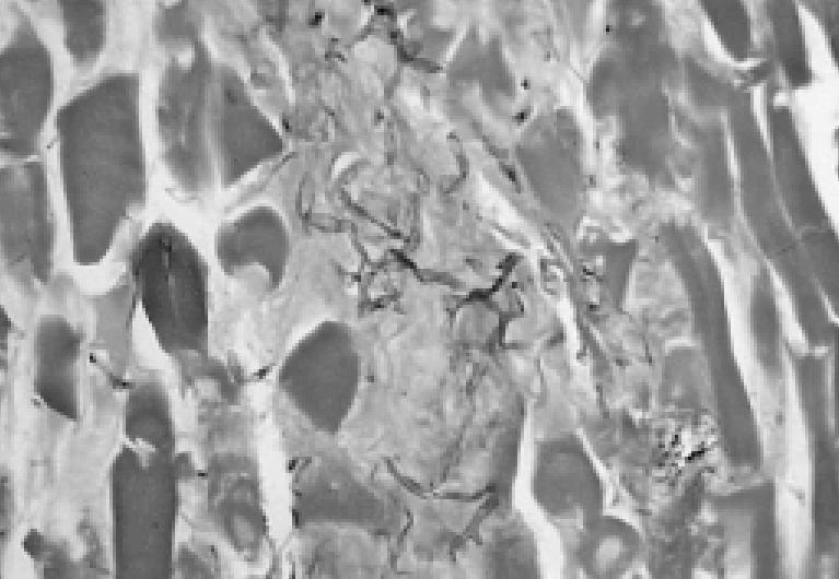
JENNIFER M. GILSOUL, MD: We received many specimens from this patient in September 2000 and the subsequent months. They all showed the same finding: massive necrosis throughout the tissue. Another prominent feature was vessel damage and thrombosis, also seen throughout the tissue (Figure 3). Figure 4 demonstrates the pathogen: 2 vessels are surrounded and invaded by fungal hyphae. At high magnification, fungal invasion of the wall can be seen. The fungi have broad, ribbonlike, twisted hyphae with nonparallel walls that come in and out of the plane of section. The fungus branches at right angles (Figure 5). Unlike many other fungi, it only stains lightly with Gomori methenamine–silver stain. It stains better with periodic acid–Schiff stain.
Figure 3.

Photomicrograph of a tissue sample stained with hematoxylin and eosin shows a damaged, thrombosed vessel (arrow) surrounded by necrotic tissue.
Figure 4.

Fungal hyphae are shown surrounding and invading vessel walls (arrows).
Figure 5.

Fungal hyphae branch at right angles within the necrotic muscle.
These features are characteristic of fungi in the class Zygomycetes, which cause zygomycosis or mucormycosis, as it is commonly called. These fungi cause rhinocerebral, pulmonary, gastrointestinal, cutaneous, or disseminated infection in predisposed individuals, such as those with diabetes, hematologic malignancies, or burns. The fungus invades the vessels and damages the walls, causing thrombosis and then infarction of the tissues. Whether significant inflammation is present depends on the immune status of the patient. The most common agents in human infection comprise the genera Rhizopus, Mucor, Absidia, Apophysomyces Cunninghamella, Rhizomucor, and Saksenaea. By far the most common is Rhizopus. The fungus can't be classified solely from tissue sections because the hyphae all look the same. The fungus must be cultured to be identified accurately.
The classic method of preparing a tissue specimen for fungal culture is to grind or homogenize it using a mortar and pestle. The sample is inoculated onto a plate, and the fungus is then able to grow. Zygomycetes, however, are so fragile that this process will destroy them. The most effective method is to get a biopsy or curette specimen and just lay it on the plate. Using a cotton swab for culture is not appropriate because the recovery rate is low.
When Zygomycetes are cultured successfully, they have a white, cottony appearance. They are very rapid growers when processed properly. Within a matter of days, they fill the dish. They are called “lid-lifters” because they practically burst out of the Petri dish.
To classify the fungus, it must be examined for rootlike structures called rhizoids. Other identifying traits include the relation between the rhizoids and sporangiophores and the morphology of the columella and sporangia. In this case, numerous cultures were sent to the laboratory, but none grew Zygomycetes at first, although one sample eventually grew in broth after a month. If laboratory personnel are not alerted about the suspected organism, they mince the tissue and kill the fungus. A subsequent culture was sent, the lab was alerted, and the specimen was processed in the appropriate way for this organism; it has been tentatively identified as Rhizopus.
DISCUSSION
HASKELL KIRKPATRICK, MD: Malignant otitis externa was the initial diagnosis made at the outside hospital. However, the BUMC treatment team knew that the patient had received effective antipseudomonal therapy and had not improved. The team continued the broad-spectrum antibiotic coverage but also added an antifungal agent, liposomal amphotericin B. The day after he was transferred, the patient had to be taken to surgery for a tracheostomy. Rapidly progressing pharyngeal swelling was beginning to obstruct his airway.
On hospital day 5, the patient was taken back to the operating room for a radical neck dissection and debridement. Lique-fied necrosis was found throughout the involved musculature. A partial mandibulotomy (unilateral sagittal split) was performed to expose the pterygoid plate, which was resected, and the surrounding musculature, which was debrided (Figure 6). Extensive debridement extended retropharyngeally, and the vertebral artery had to be ligated secondary to the extensive removal of necrotic tissue surrounding the transverse process of the first cervical vertebra. In addition, the lateral temporal bone was resected, and a latissimus dorsi flap was placed. Table 2 lists the musculature removed in the operation.
Figure 6.

Partial mandibulotomy (unilateral sagittal split) enabled exposure of the pterygoid plate and necrotic tissue.
Table 2.
Musculature removed during resection and debridement
| Retropharyngeal area | Neck | |
| Prevertebral fascia | Upper portion middle scalene | |
| Longus capitis | Levator scapulae | |
| Longus colli | Splenius capitis | |
| Rectus capitis anterior | Trapezius | |
| Sternocleidomastoid | ||
| Temporal fossa | Occipitalis | |
| Medial pterygoid | Longissimus capitis | |
| Lateral pterygoid | Semispinalis capitis | |
| Lower portion of temporalis | Obliquus capitis superior | |
| Tensor veli palatini | Obliquus capitis inferior | |
| Levator veli palatini | Rectus capitis posterior major | |
| Portion of superior pharyngeal constrictor | Rectus capitis posterior minor | |
| Posterior belly digastric | ||
| Portion of middle pharyngeal constrictor | Stylohyoid | |
| Styloglossus | ||
| Stylopharyngeus | ||
| Buccinator |
The patient remained in the intensive care unit for 2 months. We kept him on intravenous liposomal amphotericin B and aggressively controlled his blood glucose with an insulin drip. His nasopharynx was irrigated daily with amphotericin and packed daily with amphotericin-soaked gauze. A 2-week trial of hyper-baric chamber therapy to improve wound healing was interrupted when the patient became unstable and was not resumed. The patient has had subsequent surgery for further debridement, including removal of the necrotic right arch of the first cervical vertebra. The resulting subluxation required a fixation of that vertebra with a metal plate and cadaver bone.
Presently, the patient is out of intensive care; his condition has improved but is still guarded. The fact that he does not appear to have cerebral involvement is encouraging. He is ambulatory and is able to talk a little more but is still not eating. He is being fed through a gastrostomy tube because of problems with aspiration. There is concern that somehow the fungus has disseminated. This organism doesn't grow well in culture, so we're not sure if it has seeded any other organs. However, his blood glucose is now under control. He continues to receive intravenous amphotericin B.
I want to briefly discuss mycotic disease and, specifically, mucormycosis. When we think of mycotic disease, it is important to consider the different forms, including cutaneous, subcutaneous, systemic, and in this case, opportunistic fungi. Regarding classification, the term mucormycosis refers to the order Mucorales, which is of the class Zygomycetes. The 3 pathogens from this order seen most often in humans include the genera Absidia, Mucor, and Rhizopus, with Rhizopus being the most common.
These organisms are ubiquitous in nature and thrive in decaying organic material. As Dr. Gilsoul mentioned, infection is-associated with immunocompromised states such as diabetes, lymphoid malignancy, transplant, burns, trauma, and renal failure. In diabetic patients, mucormycosis is more commonly associated with diabetic ketoacidosis, but this condition is not essential.
The infection is most often initiated by inhalation of the spores into the sinuses. In an immunocompetent person, the deposition and proliferation of these spores are inhibited. The fungus is very angioinvasive. It proliferates within the elastic lumina, and the hyphae penetrate into the endothelium, causing thrombosis like that seen in our patient's sigmoid and transverse sinuses.
Most of the data that we have about the role of diabetes in mucormycosis comes from mouse and rat models (4, 5). In a normal lung, spore germination is inhibited by macrophages. The oxidative metabolites appear to be fungicidal. Although the exact mechanism is unknown, diabetes is associated with a defect in macrophages and neutrophils—high glucose levels impair phagocytosis. The fungi especially thrive in the acidic environment of diabetic ketoacidosis; they are able to proliferate and their spores can germinate. Diabetes is also associated with delayed or diminished neutrophil chemotaxis.
The manifestations of mucormycosis are arbitrarily divided into separate entities based on clinical presentation and involvement of a particular body site. Rhinocerebral mucormycosis accounts for more than half of all cases and is typically seen in patients with diabetes. Pulmonary mucormycosis occurs more commonly in leukemic or neutropenic patients. A cutaneous form is initiated through denuded skin and is commonly seen in burn patients. Isolated case reports describe linkage to insect bites. Disseminated mucormycosis usually begins in the lung and is seen in leukemia patients as well as immunocompromised or neutropenic patients. A gastrointestinal form occurs in malnourished patients. In chronic renal failure, mucormycosis has been reported in patients on hemodialysis who were receiving deferoxamine, which is given for iron overload. It is thought that deferoxamine serves as a growth promoter by providing the iron that is needed by the fungus to grow (6).
Patients with rhinocerebral mucormycosis present with fever, facial pain, headache, diplopia, proptosis, and facial anesthesia. The infection spreads from the nasal sinuses, erodes through the bone, and involves the surrounding musculature. Retro-orbital areas are often involved, and if the fungus continues to grow, it can invade the brain.
Successful therapy involves a combination of medical and surgical treatment modalities. This fungus thrives in devitalized, necrotic tissues. These areas must be debrided, as chemotherapeutic agents cannot penetrate them. Intravenous amphotericin B is the agent of choice, as Mucor and Rhizopus are resistant to itraconazole (7, 8). Liposomal amphotericin B, which we used in this case, provides an alternative that is less toxic to the kidneys. However, it is unclear whether this form is therapeutically equal to or better than amphotericin B (9, 10). The role of hyperbaric oxygen therapy is still being explored.
Two critical factors determine the outcome in mucormycosis: first is early detection to prevent further invasion, especially into the brain, where it is most often fatal, and second is resolution of predisposing problems, such as control of hyperglycemia in diabetes. Patients with diabetes have a better prognosis than do patients whose underlying condition is hard to correct, such as neutropenia, leukemia, or a history of bone marrow transplant. The combination of amphotericin B and surgical debridement has dramatically improved the outcome over the years (11).
This patient had an unusual presentation of mucormycosis; his sinuses were actually pretty clean. At first I thought that the insect was a red herring, but there are some case reports of insect bites initiating a cutaneous form of mucormycosis that invaded, became angioinvasive, and caused necrosis. It's quite possible that this insect was carrying some necrotic debris and introduced the ubiquitous fungus via traumatic inoculation into the patient's ear canal. The organism could have been in the canal already or may have entered it through the orifice from the nasal sinuses. It appears that the external auditory canal was the site of entry for the fungus, which eroded through the bone and into the neck musculature.
References
- 1.Zaky DA, Bentley DW, Lowy K, Betts RF, Douglas RG. Malignant external otitis: a severe form of otitis in diabetic patients. Am J Med. 1976;61:298–302. doi: 10.1016/0002-9343(76)90181-9. [DOI] [PubMed] [Google Scholar]
- 2.Slattery WH, Brackmann DE. Skull base osteomyelitis. Malignant external otitis. Otolaryngol Clin North Am. 1996;29:795–806. [PubMed] [Google Scholar]
- 3.Joshi N, Caputo GM, Weitekamp MR, Karchmer AW. Infections in patients with diabetes mellitus. N Engl J Med. 1999;341:1906–1912. doi: 10.1056/NEJM199912163412507. [DOI] [PubMed] [Google Scholar]
- 4.Waldorf AR, Halde C, Vedros NA. Murine model of pulmonary mucormycosis in cortisone-treated mice. Sabouraudia. 1982;20:217–224. doi: 10.1080/00362178285380321. [DOI] [PubMed] [Google Scholar]
- 5.Waldorf AR, Ruderman N, Diamond RD. Specific susceptibility to mucormycosis in murine diabetes and bronchoalveolar macrophage defense against Rhizopus. J Clin Invest. 1984;74:150–160. doi: 10.1172/JCI111395. [DOI] [PMC free article] [PubMed] [Google Scholar]
- 6.Boelaert JR, van Roost GF, Vergauwe PL, Verbanck JJ, de Vroey C, Segaert MF. The role of desferrioxamine in dialysis-associated mucormycosis: report of three cases and review of the literature. Clin Nephrol. 1988;29:261–266. [PubMed] [Google Scholar]
- 7.Armstrong D. Treatment of opportunistic fungal infections. Clin Infect Dis. 1993;16:1–7. doi: 10.1093/clinids/16.1.1. [DOI] [PubMed] [Google Scholar]
- 8.Meyer RD. Current role of therapy with amphotericin B. Clin Infect Dis. 1992;14(Suppl 1):S154–S160. doi: 10.1093/clinids/14.supplement_1.s154. [DOI] [PubMed] [Google Scholar]
- 9.Fisher EW, Toma A, Fisher PH, Cheesman AD. Rhinocerebral mucormycosis: use of liposomal amphotericin B. J Laryngol Otol. 1991;105:575–577. doi: 10.1017/s0022215100116652. [DOI] [PubMed] [Google Scholar]
- 10.Strasser MD, Kennedy RJ, Adam RD. Rhinocerebral mucormycosis. Therapy with amphotericin B lipid complex. Arch Intern Med. 1996;156:337–339. doi: 10.1001/archinte.156.3.337. [DOI] [PubMed] [Google Scholar]
- 11.Blitzer A, Lawson W, Meyers BR, Biller HF. Patient survival factors in paranasal sinus mucormycosis. Laryngoscope. 1980;90:635–648. doi: 10.1288/00005537-198004000-00010. [DOI] [PubMed] [Google Scholar]
