Abstract
The stromal structure of the bone marrow was studied in 96 cases of leukaemia and related disorders.
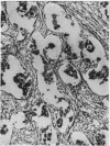
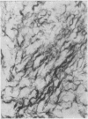
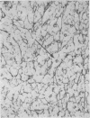
The reticulin stroma forms an integral component of any given marrow proliferation and may often be increased in amount, sometimes normal, and occasionally decreased. The pattern is often indeterminate but certain distinguishable patterns may be found, including a sinusoidal pattern in myelofibrotic chronic myeloses, a pattern characterized by an abundance of hyperplastic capillaries and arterioles often seen in lymphoid leukaemias, and one with irregular focal reticulin proliferation in many acute undifferentiated leukaemias.
Adventitious collagen fibres are demonstrable in about half of all myeloses, acute and chronic, leukaemic and aleukaemic, and may be diffuse or focal. They apparently develop from thickening and collapse and condensation of the basic reticulin network, not from any primary fibroblastic proliferation. The development of fibrosis does not denote an aetiological relationship between the conditions in which it occurs, since it appears to be a non-specific sequel to marrow exhaustion and marrow necrosis. There is no justification for the diagnosis of acute or `malignant' myelofibrosis as a disease entity in cases of acute leukaemia with marrow fibrosis.
Osteolytic change due to resorption of bony trabeculae is a common event in all the conditions studied and may be accompanied by remoulding of the eroded trabeculae. Fibre bone formation is found in about 15% of cases, including acute lymphoblastic leukaemias and acute undifferentiated leukaemias, but is extensive and well-developed only in cases of primary myelofibrosis.
Full text
PDF






Images in this article
Selected References
These references are in PubMed. This may not be the complete list of references from this article.
- BLOCK M., JACOBSON L. O. Myeloid metaplasia. J Am Med Assoc. 1950 Aug 19;143(16):1390–1396. doi: 10.1001/jama.1950.02910510008002. [DOI] [PubMed] [Google Scholar]
- BURSTON J., PINNIGER J. L. The reticulin content of bone marrow in haematological disorders. Br J Haematol. 1963 Apr;9:172–184. doi: 10.1111/j.1365-2141.1963.tb05455.x. [DOI] [PubMed] [Google Scholar]
- DAMESHEK W. Some speculations on the myeloproliferative syndromes. Blood. 1951 Apr;6(4):372–375. [PubMed] [Google Scholar]
- HUTT M. S. R., SMITH P., CLARK A. E., PINNIGER J. L. The value of rib biopsy in the study of marrow disorders. J Clin Pathol. 1952 Aug;5(3):246–249. doi: 10.1136/jcp.5.3.246. [DOI] [PMC free article] [PubMed] [Google Scholar]
- Heller E. L., Lewisohn M. G., Palin W. E. Aleukemic Myelosis: Chronic Nonleukemic Myelosis, Agnogenic Myeloid Metaplasia, Osteosclerosis, Leuko-Erythroblastic Anemia, and Synonymous Designations. Am J Pathol. 1947 May;23(3):327–365. [PMC free article] [PubMed] [Google Scholar]
- LEONARD B. J., ISRAELS M. C., WILKINSON J. F. Myelosclerosis; a clinico-pathological study. Q J Med. 1957 Jan;26(101):131–147. [PubMed] [Google Scholar]
- LEWIS S. M., SZUR L. MALIGNANT MYELOSCLEROSIS. Br Med J. 1963 Aug 24;2(5355):472–477. doi: 10.1136/bmj.2.5355.468-a. [DOI] [PMC free article] [PubMed] [Google Scholar]
- PEACE R. J. Myelonecrosis, extramedullary myelopoiesis, and leuko-erythroblastosis: a mesenchymal reaction to injury. Am J Pathol. 1953 Nov-Dec;29(6):1029–1057. [PMC free article] [PubMed] [Google Scholar]
- WYATT J. P., SOMMERS S. C. Chronic marrow failure, myelosclerosis and extramedullary hematopoiesis. Blood. 1950 Apr;5(4):329–347. [PubMed] [Google Scholar]









