Abstract
This article presents the electrical circuit, a description of the design, and results of measurements of the radiative watt–ampere and time characteristics of compact inexpensive emitters based on commercial laser diodes with wavelengths from 405 to 850 nm, which operate in the picosecond (70–180 ps) and nanosecond (0.69–1.2 ns) modes. The optical emitter includes a master crystal oscillator based on a microcontroller (frequencies of 76 Hz–20/80 MHz), a synchronization circuit, a low-voltage (9–12 V) subnanosecond electric pulse shaper that operates according to the method of double differentiation, a pump circuit with an adjustable direct current source, and a laser diode. The average light power at a frequency of 80 MHz varies in pico mode from 0.6 to 1.6 mW and in nano mode from 6 to 18 mW. The lasers are powered by a 220 V/12 V, 0.25 A serial power supply, with a power consumption of 3 W and a weight of 0.2 kg.
The rapid development of optical devices both in the telecommunications industries and in chemical and medical research requires a constant increase in the speed of information processing, and, consequently, the repetition rate of sounding light signals and a reduction in their duration. This also applies to picosecond light sources for time-correlated photon counting systems, which are widely used in various spectroscopic measuring systems, including the latest biomedical applications such as multidimensional FLIM (Fluorescence Lifetime Imaging) diagnostics [1, 2]. FLIM-diagnostics allows one to directly obtain information about the concentration of ions, pH-factor, proteins and the configuration of protein interactions, as well as the metabolic states of cells and tissues. This is especially important for studying the formation and functioning of so-called nonmembrane organelles, which, according to modern concepts, play a decisive role in such processes as regulation of transcription, aging, apoptosis, DNA repair, and the antiviral response. The latter is especially significant in connection with the COVID-19 pandemic.
In fluorometry, diode light sources are increasingly used as high-frequency sources of short light signals, which are more technological and energy efficient in comparison with classical solid-state and gas lasers and lamps. High-speed pulsed diode light sources are used in two basic versions, that is, LED and laser. LED sources (Pulsed LEDs) are less expensive and are still irreplaceable in the ultraviolet (UV) spectral region, from 250 to 370 nm. They can have an FWHM duration of light pulses of 600–800 ps at a signal repetition rate of 10–40 MHz and an average power of 0.002–0.1 mW. Laser diode emitters are characterized by better temporal characteristics (an FWHM duration of 40–140 ps at operating frequencies up to 100 MHz), higher average power (0.2–85 mW), and sharp radiation directivity. The leaders in this industry are Alphalas, Becker & Hickl, Edinburg Instruments, Hamamatsu Photonics, Horiba Scientific, NKT Photonics, and Pico-Quant [3–9]. The market value of their LED emitters is 1300–2800 Euros, while that of laser ones is 2700–10 400 Euros.
The high cost of commercial picosecond LED and diode-laser emitters is often an obstacle to their use in a number of practical and scientific applications. The cost of the emitters is due to the high price of light and laser diodes of special types, as well as specialized electronics. The cost factor becomes especially significant when it is necessary to use several sources with different wavelengths. At the same time, high-speed optical media based on laser diodes are widely used in modern consumer electronics: blue-violet with a wavelength of 405 nm (in BLU-RAY standard laser disks), red with a wavelength of 650 nm (for DVDs), and infrared with a wavelength of 785 nm (in CDs). The cost of the serial laser diodes used in them does not exceed 10–100 Euros, which creates the prerequisites for the creation of affordable high-speed light sources.
In electronics, pumping subnanosecond LEDs and laser diodes requires a subnanosecond generator of electrical pulses with a voltage of 5–12 V and a current of 30–100 mA. Modern high-frequency transistors with a speed of up to 5–7 GHz can be the element base, which theoretically make it possible to generate pulses with leading edges of the order of 50–100 ps. Extremely short fronts of electrical pulses, as well as their duration, are achieved in the mode of avalanche breakdown of transistors, which is used in pump generators of most of the above-mentioned manufacturers of picosecond diode lasers and in laboratory conditions [10]. The operating voltage of such generators is 120–140 V with a single turn on of transistors and 200–300 V with a cascode (paired series) turn on them. Such generators form sub- and nanosecond current pulses with an amplitude of up to 3 A.
At the same time, it seems expedient to use lower-voltage, and, hence, cheaper circuit solutions, which make it possible to obtain subnanosecond electrical pulses with fronts of 80–200 ps. One such simple option is a subnanosecond electric pulse shaper based on a sharpener of nanosecond pulse fronts with their single or double differentiation [11, 12]. In this case, the supply voltage can be 5–15 V, which allows the use of widespread 220 V/(12–15) V compact network power supplies.
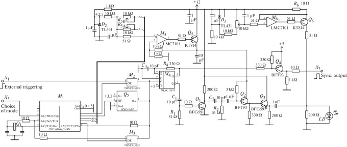
Within the framework of this concept, picosecond diode lasers were developed consisting of a compact optical emitter unit and a small 220 V/12 V, 0.25 A external serial power supply unit. The optical emitter unit contains two master crystal oscillators with a control microcontroller and with the possibility of external control, a synchronization circuit, a low-voltage generator of nanosecond electrical pulses, a two-stage sharpener of signals up to subnanosecond duration based on differentiating RC-chains, and a laser diode pump circuit based on a tunable constant current source and a pump current amplitude regulator, as well as a laser diode. The electrical diagram of the optical laser emitter is shown in Fig. 1.
Fig. 1.
The electrical circuit of the optical laser emitter. LD, laser diode.
To provide the multifunctionality of this laser emitter, it has three channels for setting the pulse repetition rate. The first one, the main channel, is implemented on a microcontroller M1 series Microchip PIC16 with quartz resonator Q1; M2 and M3 microcircuits generate auxiliary service signals. A controller of this type has a clock frequency of 20 MHz and, due to the built-in divider, provides division factors 1, 4, …, 262 |144, which makes it possible to obtain frequencies from 76 Hz to 20 MHz. It is possible to use resonators of other types with frequencies, for example, 1 or 10 MHz, with the minimum frequency being 4 or 38 Hz, respectively. The second, high-frequency channel, is implemented on a quartz oscillator Q2; its operating frequencies can be 40, 60, or 80 MHz. The third, external channel, provides the operation of the optical emitter from external trigger sources; its operating frequency can reach 20 MHz.
The use of the controller makes it possible to achieve digital control of the emitter frequencies with a minimum of elements and maximum measurement flexibility. The controller remembers the last used mode, which makes it possible to quickly resume work without additional settings. Three channels for setting the operating frequency of the laser emitter are necessary to simplify its practical adaptation to various time-measuring complexes used by consumers, each of which can have a unique architecture of control signals. As an example, the addition of such fairly inexpensive picosecond emitters to single-quantum PicoQuant, Hariba, etc., kinetic spectrometers, which are available in many laboratories, will expand their functionality. In addition, the presence of frequencies in the hertz, kilohertz, and megahertz ranges makes it possible to easily combine the measurement modes of the forward and reverse scales for fluorometry.
It should be noted that for most of these spectrometers the use of quartz oscillators is systemically redundant. This is due to the fact that the operation of these spectrometers is based on the start–stop principle of recording time intervals, between the starting excitation pulse and the stop luminescence pulse. In this case, fluctuations in the frequency of the starting pulses (in our case, the frequency of the laser emitter) do not affect the measurement error of the luminescence kinetics. At the same time, quartzization of the frequency is extremely necessary from a methodological point of view during approbation (certification) of laser emitters on high-speed streak cameras with a resolution of 10–25 ps (the time resolution of the single-quantum spectrometers themselves is more than 100 ps and is determined to a greater extent by the jitter of the photodetectors).
In streak meters, the optical signal must be delayed by 100–150 ns relative to the electrical trigger (synchronization) signal. It is, of course, possible to use relatively expensive and cumbersome single-mode fiber-optic delay lines. Purely electrical synchronization with the trigger from the previous laser signal is more practical. In the case of a quartz-crystal pulse repetition rate, whose instability is 10–6, the error in measuring the duration of laser signals at a frequency of 20 MHz is 0.5 ps. In the variant of the usual RC- generators with their instability of 10–4, the “smearing” of the recorded optical signals introduced by the uncertainty of such a synchronization is 50 ps.
The synchronization circuit is made (see Fig. 1) based on the M2 and M3 microcircuits and a T4 transistor and generates control signals for the recording equipment used by consumers in the mode of both internal and external triggering. The synchronization chain enables one to introduce additional delay of the light signal relative to the synchronization pulse if necessary and also allows the unit to work with external reference signals with frequencies up to 20 MHz.
A low-voltage shaper of nanosecond electrical pulses is implemented on a single-shot M4, which generates a positive 12 ns pulse for the signal sharpener and the clock circuit described above. A two-stage sharpener of signals up to subnanosecond duration is constructed on the basis of two differentiating RC-chains: R1C1 and R2C2, whose pulses are amplified and inverted by transistors Q1 and Q2. In this case, pulses with a duration of 2 and 0.8 ns are formed, respectively.
The laser diode pump circuit provides the setting of the parameters of the emitted light signals, as well as their duration and light power, by selecting the amplitude of the pump pulse and the bias current for each type of diode. Adjusting the pump pulse amplitude ULD from 5 to 12 V is carried out by a constant current source based on an operational amplifier (microcircuit M5, transistor Q5) and driving resistor R5. The output of this source is connected to the emitter of the transistor Q2 signal sharpener; a pulse of the corresponding magnitude is applied to the laser diode LD through the emitter follower on the transistor Q3. The laser diode bias current ILD within the range of 0–30 mA is set by a tunable constant current source based on an operational amplifier M6 and transistor Q6. As the light-emitting elements LD serial laser diodes from SONY, SONYO, FUJI, SHARP, etc., are used.
The above-described electrical circuit of the optical emitter is created on a double-sided printed circuit board. With the installed electronic components, the board has dimensions of 60 × 30 × 20 mm. Taking the subnanosecond durations of electrical signals into account, the geometric dimensions of all connections are minimized, especially for the pump circuits of the laser diode. The emitter unit itself is usually made in a metal case. It can have various dimensions and configurations of the emitting laser mounting. Typical dimensions of the emitter block in commercial enclosures are 115 × 64 × 30 mm and 80 × 55 × 25 mm.
For a number of applications, thermal stabilization of the pump circuit and laser diode is provided: an additional microboard is attached near the output stage LD, and the thermo-refrigerator, on the metal body of the emitter. A small 220 V/12 V, 0.25 A external serial power supply unit provides the optical emitter with the required supply voltage of 12 V; its possible dimensions are 73 × 43 × 27 mm. The weight of the emitter with the power supply unit is 0.2–0.3 kg. This emitter can also be used to pump sub- and nanosecond LEDs [13].
Various layouts of the optical emitter unit are shown in Fig. 2 (for clarity, the side cover has been removed in one of the emitter blocks). On the emitter block there is a coupling for attaching a standard optical stand with a diameter of 8 mm, with the help of which the emitter is fixed in various optical devices. The second sleeve is designed to install a short-focus microlens, which is necessary in some modes for focusing radiation (for example, in FLIM registration of biological objects), since the laser beam of a number of widely available laser diodes has a significant divergence. The optical characteristics of diode lasers, that is, the duration and power of the light signals, are determined by the pumping mode of the laser diodes. The mode of minimized above-threshold pumping is used to obtain picosecond pulses, that is, the normalized excess of the pump current over the lasing threshold. In this case, when subnanosecond electrical pulses are applied to the laser diode it generates picosecond light signals. The mode of minimized above-threshold pumping is not regulated by manufacturing firms. In the technical documentation, in most cases, only diode parameters are given for static operating modes at constant current or for standard pulsed pumping.
Fig. 2.

The general view of the diode laser in two layouts (one of the blocks is shown with the side cover removed for clarity).
The generation of picosecond laser pulses in the above-threshold pumping regime has been used since the advent of semiconductor heterolasers [14]. When pumped by subnanosecond electric pulses of a laser based on the GaAs/AlGaAs heterostructure created at the Ioffe Institute, relatively low-power laser pulses with a duration of 20–50 ps at wavelengths of 810–850 nm were obtained [15]. The mode of normalized overthreshold lasing is also used to achieve picosecond pulses on more powerful serial laser diodes [11, 16].
To control the generation of laser diodes it is necessary to control the regime of their current pumping and take the possible temperature transformation of the lasing threshold into account. The relevance and typicality of this problem is demonstrated by the radiative watt-ampere characteristics, that is, the dependence of the output optical power
on the bias current ILD at different temperatures T, standard laser diodes with an operating wavelength of 405 nm and rated powers PCW 50 and 150 mW for stationary operation. To measure the optical power, we used standard photodiodes built into the case of the laser diodes. The resulting dependencies
=
(ILD, T) in the temperature range from 5 to 70°C are shown in Fig. 3. Analysis of the dependences allows two conclusions. First, the range of variation of the bias current ILD from generation threshold to standard pulse mode pumping increases with an increase in the nominal power of laser diodes and is 25–50 mA at PCW = 50 W and 25–70 mA at PCW
= 150 W. Secondly, near room temperatures (from 5 to 20°C) the changes in the output power
and threshold current ILD are insignificant. This makes the temperature stabilization of diode lasers that operate at room temperatures unnecessary. However, in the field, temperature stabilization of these devices becomes necessary.
Fig. 3.

The radiative watt–ampere characteristics, the dependence of the output optical power
on the bias current ILD at different temperatures T for standard laser diodes with a nominal power of 50 (a) and 150 mW (b).
The time dependence of the laser signals was measured on a Hamamatsu C 4334 streak camera with a 25 ps resolution. One essential issue of measurements with such a camera is to provide synchronization due to the need for a delay of the optical signal of 100–150 ns relative to the electrical trigger signal. In our case, as mentioned above, a practical and convenient option has been implemented with a trigger from the previous laser signal. Due to the use of a crystal oscillator (with a frequency instability of 10–6) when setting the repetition rate of laser signals, the error in measuring the duration of laser pulses at a frequency of 20 MHz introduced by such a synchronization scheme did not exceed 0.5 ps.
The laser diode generation mode is set by the bias current ILD and the pump pulse amplitude ULD. Depending on the values ILD and ULD three generation modes are implemented. The temporal characteristics of these three modes are shown in Fig. 4 for an SLD-3236VF laser diode with a rated power of PCW = 150 mW. On the left are digital grayscale screenshots of a streak camera: the horizontal axis corresponds to the wavelength sweep (the camera includes a spectrometer) and the vertical axis corresponds to time. Figure 4 shows the time profiles of the registered laser pulses on the right. The first, that is, monopulse pico-mode, is achieved with minimized above-threshold pumping (ILD = 1 mA and ULD = 5.9 V) with the generation of a single picosecond laser pulse (see Fig. 4a). As ULD increases to 7.1 V, the laser diode generates a train of picosecond light signals (see Fig. 4b), that is, a multi-pulse second mode. When the pumping signal significantly exceeds the lasing threshold, the laser diode switches to the third mode, the nano-mode, of standard pulsed pumping (see Fig. 4c), emitting signals with a duration of 0.4 ns that are 10–15 times brighter than in the first mode. The picomode (for measuring the kinetics of pico- and subnanosecond luminescence) and the nanomode (for studying objects with nanosecond fluorescence lifetimes, for example, rhodamine 6G) are of interest for spectroscopy. On the other hand, the multipulse second mode can be very useful for studying the pulse parameters of subnanosecond photodetectors from the point of view of assessing not only the speed of photodetectors, but also their transient characteristics, as well as the speed of switching operating modes.
Fig. 4.

Three possible lasing modes of the SLD-3236VF laser diode, depending on the pumping mode: (a) the first monopulse pico-mode, with minimized above-threshold pumping; (b) the second mode with the generation of a multi-pulse sequence of picosecond light signals when the minimized above-threshold pumping is exceeded; and (c) the third mode of standard pulsed pumping when the pump current significantly exceeds the lasing threshold of the laser diode. On the left are digital grayscale images of the streak camera screen: the horizontal axis is the wavelength (the camera includes a spectrometer) and the vertical axis is time. On the right are the time profiles of the registered laser pulses.
Generation of picosecond pulses in the pico-mode has its own characteristics for laser diodes of various types. On the emitters we created, the following minimum durations at half-height of laser pulses for various wavelengths occur: 405 nm, 70 ps; 460 nm, 120 ps; 520 nm, 130 ps; 650 nm, 90 ps; 780 nm, 180 ps; 850 nm, 180 ps.
In the nanomode, depending on the pump current, the used laser diodes generate light signals with an FWHM duration from 0.4 to 1.2 ns. The average light power was recorded with a Thorlabs PM100D power meter. In the pico mode for laser diodes with a nominal continuous power of 50–150 mW at a laser pulse repetition rate of 20 MHz, the average light power varies in the 0.2–0.4 mW range; at a frequency of 80 MHz this is 0.6–1.6 mW. In the nano-mode, the average light power increases and reaches 6–18 mW at a frequency of 80 MHz.
The developed diode lasers have successfully replaced gas-discharge 1-nanosecond air lamps in single-quantum fluorometers and are used to measure the kinetics of luminescence of both inorganic and organic objects. In particular, these lasers are used to study the kinetics of fast fluorescence: with wavelengths of 405 and 446 nm for X-ray phosphors, and with 446 and 650 nm for indotricarbocyanine dyes in biological systems [17] and in solutions [18].
REFERENCES
- 1.Lakowicz R. Principles of Fluorescence Spectrometry. New York: Springer; 2006. [Google Scholar]
- 2.Bekker V., Zhelzov A., Cheslavskii V. Fotonika. 2015;53:52. [Google Scholar]
- 3.https://www.alphalas.com/.
- 4.https://www.becker-hickl.com.
- 5.https://www.edinst.com.
- 6.https://www.hamamatsu.com.
- 7.https://www.horiba.com.
- 8.https://www.nktphotonics.com.
- 9.https://www.picoquant.com.
- 10.Vasil’ev R.V., Lubsandorzhiev B.K., Pokhil P.G. Instrum. Exp. Tech. 2000;43:570. doi: 10.1007/BF02758970. [DOI] [Google Scholar]
- 11.Uhring W., Zint C.-V., Bartinger J. Proc. SPIE. 2004;5452:583. doi: 10.1117/12.545038. [DOI] [Google Scholar]
- 12.Sulkes M., Sulkes Z. Am. J. Phys. 2011;79:1104. doi: 10.1119/1.3620415. [DOI] [Google Scholar]
- 13.Voropai, E.S., Ermalitski, F.A., Rad’ko, A.E., and Samtsov, M.P., Prib. Tekh. Eksp., 2020, no. 1, p. 151. 10.31857/S0032816220010097
- 14.Alferov Zh.I., Zhuravlev A.B., Portnoi E.L., Stel’makh N.M. Pis’ma Zh. Tekh. Fiz. 1986;12:1093. [Google Scholar]
- 15.Ermalitski, F.A., Kostyukevich, N.K., Prokhorenko, A.S., and Ustinov, B.P., Prib. Tekh. Eksp., 1991, no. 4, p. 241.
- 16.Dudelev V.V., Zazulin S.V., Kolykhalova E.D., Losev S.N., Deryagin A.G., Kuchinskii V.I., Efanov M.V., Sokolovskii G.S. Tech. Phys. Lett. 2016;42:1159. doi: 10.1134/S1063785016120191. [DOI] [Google Scholar]
- 17.Samtsov, M.P., Tarasov, D.S., Goryashchenko, A.S., Kazachkina, N.I., Zherdeva, V.V., Savitskii, A.P., and Meerovich, I.G., Zh. Beloruss. Gos. Univ. Fiz., 2018, no. 1, p. 34.
- 18.Bel’ko N.V., Samtsov M.P., Tikhomirov S.A., Buganov O.V. Zh. Prikl. Spektrosk. 2020;87:752. doi: 10.1007/s10812-020-01078-z. [DOI] [Google Scholar]

